DSJ41H、DSJ61H水封截止閥具有平行雙密封副半強制雙向密封,密封面到位運動和楔形塊楔緊運動分步作用實現零泄漏。適用于火電廠汽機冷凝和真空負壓系統,起到真空隔離密封作用。
產品名稱: | 水封截止閥 | 產品型號: | DSJ41H、DSJ61H |
公稱通徑: | DN10~DN150 | 結構形式: | 截止式 |
公稱壓力: | 1.0MPa~10.0MPa | 連接方式: | 法蘭、焊接 |
適用溫度: | -29ºC~+550ºC | 驅動方式: | 手動、電動 |
閥體材質: | 鑄鋼、不銹鋼 | 標準: | 國標GB、德國DIN、美國API、ANSI |
適用介質: | 水、油、蒸汽、空氣 | 生產廠家: | 浙江嵐勝閥門有限公司 |
1、產品按JB/T3595標準設計制造,滿足電站設備配套使用要求。
2、真空密封結構填料室,隔離真空可靠。
3、閥桿有良好的抗腐蝕性,抗擦傷和耐磨性。
4、膨脹系數大,氣密性能好,系統與大氣隔離可靠。
設計標準 | 結構長度 | 連接法蘭 | 試驗和檢驗 | 壓力-溫度 |
JB/T3595 | GB/T15188.1 | JB/T79.1-94 | GB13927 JB/T9092 | GB/T3595 |
殼體材料 | 適用介質 | 適用溫度 |
碳素鋼(C) | 水、蒸汽、油品 | ≤425 |
鉻鉬鋼(I) | 水、蒸汽、油品 | ≤550 |
鉻鎳不銹鋼(P) | 硝酸類 | ≤200 |
鉻鎳鉬不銹鋼(R) | 醋酸類 | ≤200 |
零件名稱 | 材料 | |||
閥體 | WCB | ZG1Cr5Mo | ZG1Cr5Mo | ZG1Cr18Ni12Mo2Ti |
閥 瓣/ 座 | WCB | 1Cr18Ni9Ti | 1Cr18Ni9Ti | 1Cr18Ni12Mo2Ti |
閥蓋 | WCB/25 | ZG1Cr5Mo | ZG1Cr5Mo | ZG1Cr18Ni12Mo2Ti |
閥桿 | 2Cr13 | 1Cr18Ni9Ti | 1Cr18Ni9Ti | 1Cr18Ni12Mo2Ti |
填料 | 鉛青組合填料 | |||
閥桿螺母 | 鋁青銅 | |||
手輪 | 可鍛鑄鐵 | |||

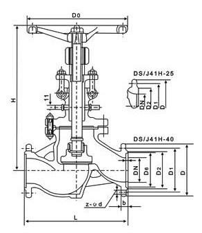
型號 | DN | L | D | Dn | D1 | H | Do | 電動H1 |
DSJ61H/Y | 10 | 130 | 36 | 9 | 15 | 245 | 120 | 547 |
15 | 130 | 36 | 12 | 19 | 245 | 120 | 552 | |
20 | 150 | 44 | 19 | 26 | 265 | 140 | 557 | |
25 | 160 | 44 | 26 | 33 | 270 | 160 | 562 | |
32 | 180 | 60 | 30 | 39 | 270 | 180 | 592 | |
DSJ61H/Y | 10 | 130 | 36 | 9 | 15 | 245 | 120 | 547 |
15 | 130 | 36 | 12 | 19 | 245 | 120 | 552 | |
20 | 150 | 44 | 19 | 26 | 265 | 140 | 557 | |
25 | 160 | 44 | 26 | 33 | 270 | 160 | 562 | |
32 | 180 | 60 | 30 | 39 | 270 | 180 | 592 | |
DSJ61H/Y | 10 | 130 | 36 | 9 | 15 | 245 | 120 | 547 |
15 | 130 | 36 | 12 | 19 | 245 | 120 | 552 | |
20 | 150 | 44 | 19 | 26 | 265 | 140 | 557 | |
25 | 160 | 44 | 26 | 33 | 270 | 160 | 562 | |
32 | 180 | 60 | 30 | 39 | 270 | 180 | 592 | |
DSJ61H/Y | 10 | 130 | 36 | 9 | 15 | 245 | 120 | 547 |
15 | 130 | 36 | 12 | 19 | 245 | 140 | 552 | |
20 | 150 | 44 | 19 | 26 | 270 | 160 | 557 | |
25 | 160 | 44 | 26 | 33 | 290 | 180 | 562 | |
32 | 180 | 60 | 30 | 39 | 330 | 200 | 592 | |
DSJ61H/Y | 10 | 130 | 36 | 9 | 15 | 245 | 120 | 547 |
15 | 130 | 36 | 12 | 19 | 245 | 140 | 552 | |
20 | 150 | 44 | 19 | 26 | 270 | 160 | 557 | |
25 | 160 | 44 | 26 | 33 | 290 | 180 | 562 | |
32 | 180 | 60 | 30 | 39 | 330 | 200 | 592 |

型號 | DN | L | D | D1 | D2 | d | z-Φ | Dn | H | Do | 電動H1 |
DSJ41H/Y | 15 | 130 | 95 | 65 | 45 | 14 | 4-14 | 12 | 245 | 120 | 552 |
20 | 150 | 105 | 75 | 55 | 14 | 4-14 | 18 | 265 | 140 | 557 | |
25 | 160 | 115 | 85 | 65 | 14 | 4-14 | 25 | 270 | 160 | 562 | |
32 | 180 | 135 | 100 | 78 | 16 | 4-18 | 31 | 285 | 180 | 572 | |
40 | 200 | 145 | 110 | 85 | 16 | 4-18 | 38 | 300 | 200 | 625 | |
50 | 230 | 160 | 125 | 100 | 16 | 4-18 | 49 | 355 | 240 | 660 | |
65 | 290 | 180 | 145 | 120 | 18 | 4-18 | 66 | 415 | 280 | 690 | |
80 | 310 | 195 | 160 | 135 | 20 | 8-18 | 78 | 425 | 280 | 715 | |
100 | 350 | 215 | 180 | 155 | 20 | 8-18 | 96 | 470 | 320 | 770 | |
125 | 400 | 245 | 210 | 185 | 22 | 8-18 | 121 | 500 | 360 | 810 | |
150 | 480 | 280 | 240 | 210 | 24 | 8-23 | 146 | 570 | 400 | 1060 | |
DSJ41H/Y | 15 | 130 | 95 | 65 | 45 | 16 | 4-14 | 12 | 245 | 120 | 552 |
20 | 150 | 105 | 75 | 55 | 16 | 4-14 | 18 | 265 | 140 | 557 | |
25 | 160 | 115 | 85 | 65 | 16 | 4-14 | 25 | 270 | 160 | 562 | |
32 | 180 | 135 | 100 | 78 | 18 | 4-18 | 31 | 285 | 180 | 572 | |
40 | 200 | 145 | 110 | 85 | 18 | 4-18 | 38 | 300 | 200 | 625 | |
50 | 230 | 160 | 125 | 100 | 20 | 4-18 | 49 | 355 | 240 | 660 | |
65 | 290 | 180 | 145 | 120 | 22 | 8-18 | 66 | 415 | 280 | 690 | |
80 | 310 | 195 | 160 | 135 | 22 | 8-18 | 78 | 425 | 280 | 715 | |
100 | 350 | 230 | 190 | 160 | 24 | 8-23 | 96 | 470 | 320 | 770 | |
125 | 400 | 270 | 220 | 188 | 28 | 8-25 | 121 | 500 | 360 | 810 | |
150 | 480 | 300 | 250 | 218 | 30 | 8-25 | 146 | 570 | 400 | 1060 |