J61Y-P54電站高壓截止閥適用于公稱壓力PN20~32MPa及P54/100V-P57/170V ,工作溫度≤540℃(其中P57/170V工作溫度為570℃)的石油 、化工 、水力 、火力電站各種系統的管路中,切斷或接通管路介質,,適用介質為:水、油品、蒸汽等。操作方式有:手動、齒輪傳動、電動等。
產品名稱: | 電站高壓截止閥 | 產品型號: | J61Y |
公稱通徑: | DN15~DN300 | 結構形式: | 截止式 |
公稱壓力: | 1.6MPa~32.0MPa | 連接方式: | 焊接、法蘭 |
適用溫度: | -29ºC~+570ºC | 驅動方式: | 手輪、傘齒輪、電動 |
閥體材質: | WCB、碳鋼、鉻鉬釩鋼、不銹鋼 | 制造標準: | 國標GB、德國DIN、美國API、ANSI |
適用介質: | 水、油、蒸汽、氣體 | 生產廠家: | 浙江嵐勝閥門有限公司 |
1、閥門與管路連接采用焊接式結構。
2、密封面不易磨損、擦傷、密封性能好、壽命長。
3、結構緊湊、啟閉性好、高度小、維修方便。
4、適用于水、蒸汽、油品管路上,具有耐高溫、耐高壓的特點。
1、制造驗收技術條件按JB/T3595或E101的規定。
2、閥門結構長度按ANSI B16.10或E101的規定。
3、閥體焊接坡口按ANSI B16.25的規定或按用戶提供的尺寸。
產品型號 | 公稱壓力(MPa) | 試驗壓力(MPa) | 工作壓力(MPa) | 公作溫度℃ | 適用介質 | |||
殼體強度 | 密封 | P54 | P55 | P57 | ||||
J61H(Y)-100 | 10 | 15 | 11 | / | / | / | ≤425 | 水、蒸汽、油品 |
J61H(Y)-200 | 20 | 30 | 22 | / | / | / | ||
J61H(Y)-250 | 25 | 38 | 28 | / | / | / | ||
J61H(Y)-320 | 32 | 48 | 36 | / | / | / | ||
J61Y-P54/100V | 20 | 30 | 22 | 10 | / | / | ≤540 | 蒸汽 |
J61Y-P54/140V | 25 | 38 | 28 | 14 | / | / | ||
J61Y-P54/170V | / | 48 | 36 | 17 | / | / | ||
J61Y-P55/100V | / | 38 | 28 | / | 10 | / | ≤550 | |
J61Y-P55/140V | / | 48 | 36 | / | 14 | / | ||
J61Y-P55/170V | / | 53 | 39 | / | 17 | / | ||
J61Y-P57/100V | / | 48 | 36 | / | / | 10 | ≤570 | |
J61Y-P57/140V | / | 55 | 40 | / | / | 14 | ||
J61Y-P57/170V | / | 60 | 44 | / | / | 17 | ||
設計與制造 | 結構長度 | 壓力 – 溫度等級 | 試驗標準 |
E101 | E101 | E101 | E101 |
零件材料 | 材料牌號 | ||
閥 體 | WCB A105 | WC6 12Cr1MoV | WC9 12Cr1MoV |
閥 蓋 | WCB A105 | WC6 12Cr1MoV | WC9 12Cr1MoV |
閥 瓣 | WCB A105 | WC6 25Cr2MoV | WC9 25Cr2MoV |
閥 桿 | 2Cr13 / 1Cr17Ni2 | 25Cr2MoV | 25Cr2MoV |
閥 座 | 25 + STL | 304 | 304 |
密封環 ( 墊 片 ) | 增強柔性石墨 / 軟鋼 | ||
填 料 | 增強柔性石墨 | ||
閥 桿 螺 母 | ZCuAl10Fe3 / D2 | ||

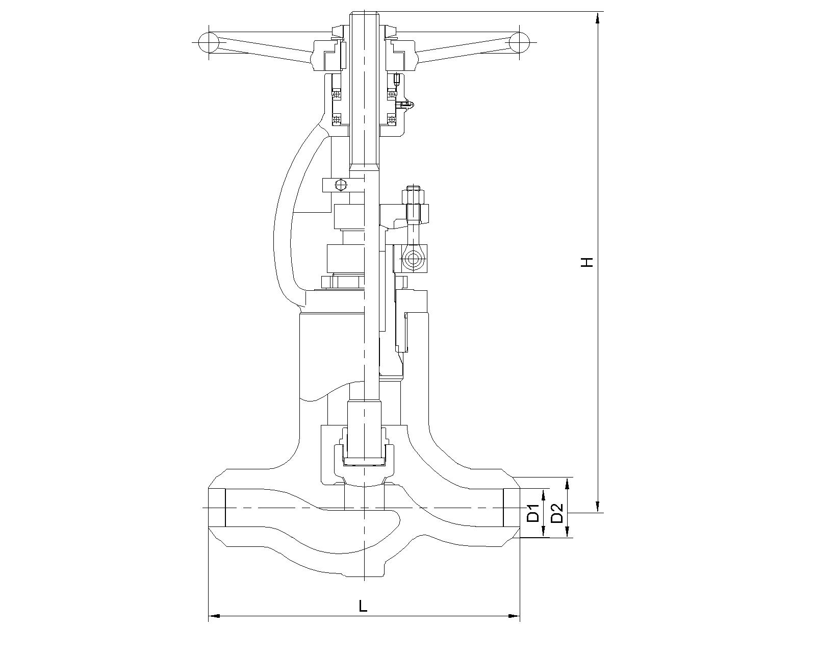
公稱通徑 | 主要外形尺寸和I連接尺寸(mm) | ||||||
L | D1 | D2 | D3 | α970 | H | Do | |
J61Y-100、200、250、320 J61Y-P54/100V、P54/140V、P54/170V | |||||||
10 | 120 | 12 | 25 | / | 37.5° | 185 | 140 |
15 | 150 | 17 | 36 | / | 37.5° | 247 | 200 |
20 | 170 | 22 | 42 | / | 37.5° | 248 | 200 |
25 | 170 | 26 | 42 | / | 37.5° | 248 | 240 |
32 | 180 | 31 | 44 | / | 37.5° | 248.5 | 280 |
40 | 230 | 38 | 60 | / | 37.5° | 440 | 280 |
50 | 350 | 50 | 82 | / | 32° | 450 | 320 |
65 | 330 | 69 | 100 | 110 | 32° | 669 | 400 |
80 | 470 | 84 | 108 | 130 | 32° | 669 | 450 |
100 | 560 | 107 | 144 | 165 | 32° | 755 | 500 |
J61Y-P55/100V、P55/140V、P55/170V J61Y-P57 /100V、P57/140V、P57/170V | |||||||
10 | 120 | 12 | 28 | / | 37.5° | 189 | 140 |
15 | 150 | 17 | 40 | / | 37.5° | 250 | 200 |
20 | 170 | 22 | 46 | / | 37.5° | 252 | 200 |
25 | 170 | 26 | 46 | / | 37.5° | 254 | 240 |
32 | 180 | 31 | 49 | / | 37.5° | 254 | 280 |
40 | 230 | 38 | 60 | / | 37.5° | 440 | 280 |
50 | 350 | 50 | 90 | / | 32° | 455 | 320 |
65 | 330 | 69 | 104 | 110 | 32° | 630 | 400 |
80 | 470 | 84 | 110 | 140 | 32° | 672 | 450 |
100 | 560 | 107 | 148 | 170 | 32° | 761 | 500 |
型號 | 公稱壓力 | 試驗壓力(MPa) | 工作壓力(MPa) | 工作溫度(℃) | 適用介質 | |
強度試驗 | 密封試驗/上密封試驗 | |||||
Z961(960、962) | 25 | 37.5 | 27.5 | - | ≤425 | 水、蒸汽 |
Z961(960、962) | 32 | 48.0 | 36.0 | - | ≤425 | |
Z961(960、962) | - | 30.0 | 22.0 | P5410 | ≤540 | 蒸汽 |
Z961(960、962) | - | 48.0 | 36.0 | P5417 | ≤540 | |
零件名稱 | 材料牌號 | ||
閥體 | WCB | WC6 | WC9 |
閥板 | WCB | WC6 | WC9 |
閥蓋 | 25 | 12Cr1MoVA | |
閥桿 | 2Cr13 | 20Cr1MoVA | |
閥座 | 25 | 12Cr1MoVA | |
密封環 | S軟鋼(增強柔性石墨) | S軟鋼(增強柔性石墨) | S軟鋼(增強柔性石墨) |
填料 | 增強柔性石墨 | ||
支架 | WCB | WCB或WC6 | |
閥桿螺母 | ZQAL9-4 | ||
四開環 | 1Cr13 | 20Cr1MoVA | |
閥桿螺母 | ZQAL9-4 | ||
工作溫度 | V型≤540℃≤570℃;其余型≤540℃≤570℃ | ||
閥體材料 | V型銘鉬釩鋼ZG20CrMoV或ZG15CrMoV | ||
適用介質 | 水、蒸汽 | ||

公稱通徑 | J961H(Y)-100、200、250、320 J961Y-P54/100V、P54/140V、P54/170V | |||||
主要外形尺寸和I連接尺寸(mm) | ||||||
L | D1 | D | D3 | α | H | |
15 | 150 | 17 | 36 | / | 37.5° | 518 |
20 | 170 | 22 | 42 | / | 37.5° | 518 |
25 | 170 | 26 | 42 | / | 37.5° | 518 |
32 | 180 | 31 | 44 | / | 37.5° | 560 |
40 | 230 | 38 | 60 | / | 37.5° | 545 |
50 | 350 | 50 | 82 | / | 32° | 748 |
65 | 330 | 69 | 100 | 110 | 32° | 829 |
80 | 470 | 84 | 108 | 130 | 32° | 898 |
100 | 560 | 107 | 144 | 165 | 32° | 913 |
J961Y-P55/100V、P55/140V、P55/170V J961Y-P57 /100V、P57/140V、P57/170V | ||||||
15 | 150 | 17 | 40 | / | 37.5° | 518 |
20 | 170 | 22 | 46 | / | 37.5° | 518 |
25 | 170 | 26 | 46 | / | 37.5° | 518 |
32 | 180 | 31 | 49 | / | 37.5° | 560 |
40 | 230 | 38 | 60 | / | 37.5° | 545 |
50 | 350 | 50 | 90 | / | 32° | 748 |
65 | 330 | 69 | 104 | 115 | 32° | 829 |
80 | 470 | 84 | 110 | 140 | 32° | 898 |
100 | 560 | 107 | 148 | 170 | 32° | 913 |