300X緩閉止回閥是安裝在高層建筑給水系統以及其它給水系統的水泵出口處,防止介質倒流,水錘及水擊現象的智能型閥門,可有效提高供水系統的安全可靠性。該閥將緩開、速閉、緩閉消除水錘技術原理一體化,防止開泵水錘和停泵水錘的產生。只需操作水泵電機啟閉按鈕,閥門即可按照水泵操作規程自動實現啟閉,流量大,壓力損失小,適用于600口徑以下的管道。
產品名稱: | 緩閉止回閥 | 產品型號: | 300X |
公稱通徑: | DN20~DN800 | 結構形式: | 彈簧式 |
工作壓力: | 1.0MPa~1.6MPa~2.5MPa | 連接方式: | 法蘭 |
適用溫度: | -0ºC~+80ºC | 功能作用: | 緩開、速閉、緩閉 |
閥體材質: | 鑄鐵、鑄鋼、不銹鋼、黃銅 | 制造標準: | 國標GB、德國DIN、美國API、ANSI |
適用介質: | 水、污水 | 生產廠家: | 浙江嵐勝閥門有限公司 |
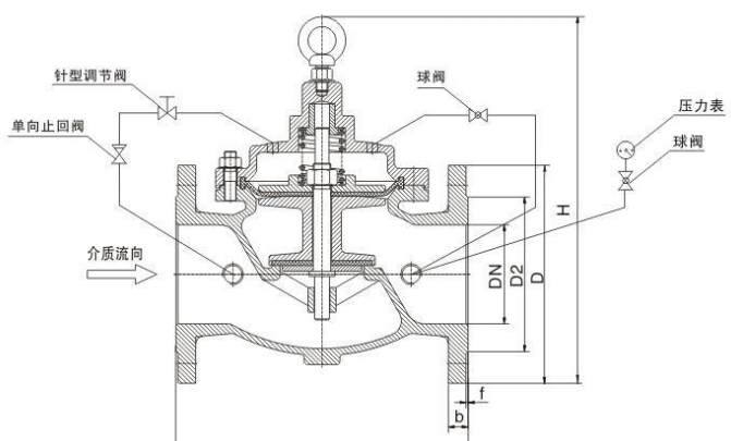
300X緩閉止回閥由主閥、單向閥、針閥、球閥、微形過濾器和壓力表組成水力控制接管系統。利用水力自動操作,可使主閥得到最佳的開啟或關閉速度。防止水鍾水擊的產生,以達到緩閉消聲的效果。300X緩閉止回閥利用水力自力控制,不需要其它裝置和能源,保養簡便,開啟及緩閉平穩。300X緩閉止回閥廣泛用于高層建筑、生活區等供水管網系統及城市供水工程。
當閥門從進口端給水時,水通過微型過濾器、針閥、單向閥進入主閥控制室,再經過球閥排水至下游。因為針閥開度小于球閥開度,即主閥控制室的排水速度大于進水速度,因此控制室壓力降低,作用于主閥盤下端的進口壓力打開主閥向下游供水。
當管道停止供水時,若下游水開始回流,一部分回流水經球閥進入主控制室,由于單向閥作用,回流水不能從主控制室流出,引起主控制室逐漸升壓,緩緩關閉主閥。
公稱壓(Mpa) | 殼體試驗壓力(MPa) | 密封試驗壓力(MPa) | 適用介質 | 介質溫度(℃) |
1.0 | 1.5 | 1.1 | 水 | 0-80 |
1.6 | 2.4 | 1.76 | ||
2.5 | 3.75 | 2.75 |
零件名稱 | 零件材料 |
閥體閥蓋 | WCB |
閥座閥盤 | 銅合金 |
密封圈 O型圈 | 丁腈橡膠 |
閥桿 | 2Cr13 |
彈簧 | 50CrVA |
針型閥 | 銅合金 |
球閥 | 銅合金 |
浮球閥 | 銅合金 |
微型過濾器 | 不銹鋼 |

DN | L | A | A1 | H | H1 | F | D | D1 | D2 | ||||||
mm | mm | mm | mm | mm | mm | PN1.0 | PN1.6 | PN2.5 | PN1.0 | PN1.6 | PN2.5 | PN1.0 | PN1.6 | PN2.5 | |
20 | 180 | 282 | 200 | 172 | 106 | 116 | 105 | 105 | 105 | 75 | 75 | 75 | 58 | 58 | 56 |
25 | 180 | 282 | 200 | 172 | 106 | 116 | 115 | 115 | 115 | 85 | 85 | 85 | 68 | 68 | 65 |
32 | 180 | 282 | 200 | 172 | 106 | 116 | 140 | 140 | 140 | 100 | 100 | 100 | 78 | 78 | 76 |
40 | 240 | 320 | 210 | 265 | 210 | 170 | 150 | 150 | 150 | 110 | 110 | 110 | 88 | 88 | 84 |
50 | 240 | 320 | 210 | 265 | 210 | 170 | 165 | 165 | 165 | 125 | 125 | 125 | 102 | 102 | 99 |
65 | 250 | 330 | 215 | 310 | 215 | 180 | 185 | 185 | 185 | 145 | 145 | 145 | 122 | 122 | 118 |
80 | 285 | 350 | 220 | 350 | 245 | 210 | 200 | 200 | 200 | 160 | 160 | 160 | 133 | 133 | 132 |
100 | 360 | 410 | 230 | 460 | 305 | 275 | 220 | 220 | 235 | 180 | 180 | 190 | 158 | 158 | 156 |
125 | 400 | 420 | 245 | 520 | 365 | 310 | 250 | 250 | 270 | 210 | 210 | 220 | 184 | 184 | 184 |
150 | 455 | 430 | 260 | 570 | 415 | 355 | 285 | 285 | 300 | 240 | 240 | 250 | 212 | 212 | 211 |
200 | 585 | 440 | 280 | 695 | 510 | 460 | 340 | 340 | 360 | 295 | 295 | 310 | 268 | 268 | 274 |
250 | 650 | 450 | 300 | 780 | 560 | 500 | 395 | 405 | 425 | 350 | 355 | 370 | 320 | 320 | 330 |
300 | 800 | 460 | 320 | 902 | 658 | 580 | 445 | 460 | 485 | 400 | 410 | 430 | 370 | 370 | 389 |
350 | 860 | 470 | 340 | 1025 | 696 | 640 | 505 | 520 | 555 | 460 | 470 | 490 | 430 | 430 | 448 |
400 | 960 | 480 | 360 | 1080 | 735 | 715 | 565 | 580 | 620 | 515 | 525 | 550 | 482 | 482 | 503 |
450 | 1075 | 530 | 395 | 1030 | 610 | 780 | 615 | 640 | 670 | 565 | 585 | 600 | 532 | 550 | 548 |
500 | 1075 | 580 | 420 | 1135 | 665 | 830 | 670 | 715 | 730 | 620 | 650 | 660 | 585 | 585 | 609 |
600 | 1230 | 600 | 445 | 1270 | 725 | 920 | 780 | 840 | 845 | 725 | 770 | 770 | 685 | 685 | 720 |
700 | 1650 | 730 | 495 | 1460 | 865 | 980 | 895 | 910 | 960 | 840 | 840 | 875 | 800 | 800 | 820 |
800 | 1750 | 830 | 530 | 1640 | 925 | 1050 | 1015 | 1025 | 1085 | 950 | 950 | 990 | 905 | 905 | 928 |