X44T-1.0三通銅芯旋塞閥是關閉件或柱塞形的旋轉閥,通過旋轉90度使閥塞上的通道口與閥體上的通道口相通或分開,實現開啟或關閉的一種閥門。旋塞閥廣泛地應用于油田開采、輸送和精練設備中,同時也廣泛用于石油化工、化工、煤氣、天然氣、液化石油氣、暖通行業以及一般工業中。
產品名稱: | 三通銅芯旋塞閥 | 產品型號: | X44T-1.0 |
公稱通徑: | DN15~DN300 | 結構形式: | 圓柱形或圓錐形 |
公稱壓力: | 1.0MPa | 連接方式: | 法蘭、內螺紋 |
適用溫度: | -29ºC~+200ºC | 驅動方式: | 手動 |
閥體材質: | 鑄鐵 | 制造標準: | 國標GB、德國DIN、美國API、ANSI |
適用介質: | 水、油、蒸汽等 | 生產廠家: | 浙江嵐勝閥門有限公司 |
它的閥塞的形狀可成圓柱形或圓錐形。在圓柱形閥塞中,通道一般成矩形;而在錐形閥塞中,通道成梯形。這些形狀使旋塞閥的結構變得輕巧。最適于作為切斷和接通介質以及分流適用,但是依據適用的性質和密封面的耐沖蝕性,有時也可用于節流。
1、旋塞閥用于經常操作,啟閉迅速、輕便。
2、旋塞閥流體阻力小。
3、旋塞閥結構簡單,相對體積小,重量輕,便于維修。
4、密封性能好。
5、不受安裝方向的限制,介質的流向可任意。
6、無振動,噪聲小。
型號 | 公稱壓力 | 試驗壓力PS(MPa) | 適用介質 | 工作溫度(℃) | |
殼體 | 密封 | ||||
X44T-1.0 | 1.0 | 1.5 | 1.1 | 水、蒸汽、油品 | ≤100 |
X14T-1.0 | 1.0 | 1.5 | 1.1 | 水、蒸汽、油品 | ≤100 |
零件名稱 | 閥體 | 塞子 | 填料壓蓋 | 填料 |
X44T-1.0 | 鑄鐵 | 銅芯 | 鑄鐵 | 油浸石棉盤根 |
X14T-1.0 | 鑄鐵 | 銅芯 | 鑄鐵 |

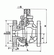
公稱壓力 | 公稱通徑 | 尺寸(mm) | |||||||
L | D | D1 | D2 | z-φd | □s | h | H | ||
X44T-1.0 | 25 | 145 | 115 | 85 | 56 | 4╳φ14 | 17 | 38 | 133 |
32 | 170 | 135 | 100 | 78 | 4╳φ18 | 18 | 45 | 152 | |
40 | 180 | 145 | 110 | 85 | 4╳φ18 | 24 | 55 | 212 | |
50 | 200 | 160 | 125 | 100 | 4╳φ18 | 28 | 74 | 260 | |
65 | 220 | 180 | 145 | 120 | 4╳φ18 | 32 | 82 | 295 | |
80 | 250 | 195 | 160 | 135 | 4╳φ18 | 40 | 95 | 327 | |
100 | 300 | 215 | 180 | 155 | 8╳φ18 | 45 | 135 | 425 | |
125 | 350 | 245 | 210 | 185 | 8╳φ18 | 54 | 154 | 482 | |
150 | 400 | 280 | 240 | 210 | 8╳φ23 | 62 | 172 | 512 | |
200 | 450 | 335 | 295 | 265 | 8╳φ23 | 75 | 195 | 605 | |
250 | 530 | 390 | 350 | 320 | 8╳φ23 | 85 | 230 | 660 | |
300 | 580 | 440 | 400 | 368 | 8╳φ23 | 100 | 263 | 760 | |