D341X單偏心法蘭式蝶閥的結構特征為閥桿軸心偏離了蝶板中心、從而使蝶板上下端不再成為回轉軸心、分散、減輕了蝶板上下端與閥座的過度擠壓,解決了同心蝶閥的蝶板與閥座的擠壓問題。但由于單偏心構造在閥門的整個開關過程中蝶板與閥座的刮擦現象并未消失、在應用范圍上和同心蝶閥大同小異、故采用不多。
產品名稱: | 單偏心法蘭式蝶閥 | 產品型號: | D341X |
公稱通徑: | DN50~DN2000 | 閥座密封: | 丁青橡膠、聚四氟乙烯 |
公稱壓力: | 1.0Mpa~1.6MPa | 連接方式: | 對夾、法蘭 |
適用溫度: | -0ºC~+80ºC | 驅動方式: | 手動、蝸輪、電動、氣動 |
閥體材質: | 鑄鐵、球墨鑄鐵、鑄鋼 | 制造標準: | 國標GB、德國DIN、美國API、ANSI |
適用介質: | 水、油、氣體、粉體、液體 | 生產廠家: | 浙江嵐勝閥門有限公司 |
1、本閥結構獨特,操作靈活,省力,方便。
2、蝶板采用框架結構,強度高,過流面積大,流阻小。
3、密封副材料選用不銹鋼和硅耐油橡膠配對,使用壽命長。
4、整體烤漆、能有效地防止銹蝕且只要更換密封閥座密封材料,就可使用于不同介質。
5、橡膠密封圈即可位于閥體上,也可以位于蝶板上,可適用不同特點的介質,供用戶選擇。
6、本閥具有雙向密封功能,安裝時不受介質流向的控制,也不受空間位置的影響,可在任何方向安裝。
公稱通經DN(mm) | 50~2000 | 50~1600 | |
公稱藥理PN(MPa) | 0.6 | 1.0 | 1.6 |
密封試驗(MPa) | 0.66 | 1.1 | 1.76 |
強度試驗(MPa) | 0.9 | 1.5 | 2.4 |
適用溫度 | 丁腈橡膠:-40℃~90℃氟橡膠:-20℃~200℃ | ||
適用介質 | 水、空氣、天然氣、油品及弱腐蝕性流體 | ||
泄漏率 | 符合GB/T13927-92標準 | ||
驅動方式 | 蝸輪傳動、電動、氣動、液動 | ||
零件名稱 | 材料 |
閥體 | WCB、QT450-10、HT200、HT250 |
蝶板 | WCB、QT450-10、HT200、HT250 |
閥軸 | 2Cr13 |
密封圈 | 丁腈耐油橡膠 |
填料 | 柔性石墨 |
制造標準 | GB/T 122387-89 |
法蘭標準 | GB9113-2000、GB17241.6-1998 |
結構長度標準 | GB12221-89 |
檢驗標準 | GB/T 13927-92 |

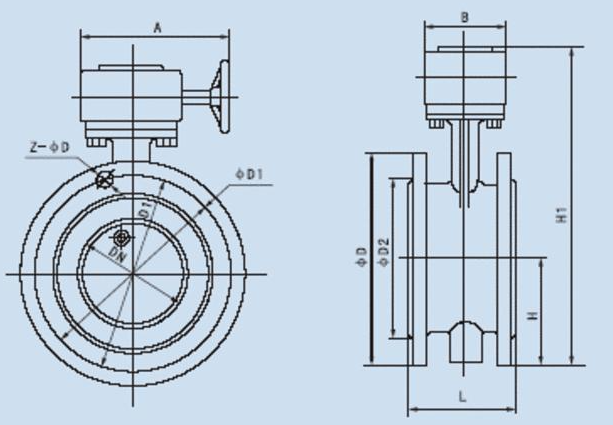
DN | 主要外形連接尺寸 | 法蘭尺寸和螺栓孔尺寸 | |||||||||||||||
L | H | H1 | A | B | 0.6MPa | 1.0MPa | 1.6MPa | ||||||||||
D | D1 | D2 | n-d | D | D1 | D2 | n-d | D | D1 | D2 | n-d | ||||||
50 | 108 | 82.5 | 306 | 80 | 80 | 140 | 110 | 88 | 4-14 | 185 | 125 | 99 | 4-18 | 165 | 125 | 99 | 4-18 |
65 | 112 | 92.5 | 321 | 80 | 80 | 160 | 130 | 108 | 4-14 | 185 | 145 | 118 | 4-18 | 185 | 145 | 118 | 4-18 |
80 | 114 | 100 | 346 | 80 | 80 | 190 | 150 | 124 | 4-18 | 200 | 160 | 132 | 8-18 | 200 | 160 | 132 | 8-18 |
100 | 127 | 110 | 387 | 95 | 95 | 210 | 170 | 144 | 4-18 | 220 | 180 | 156 | 8-18 | 220 | 180 | 156 | 8-18 |
125 | 140 | 125 | 411 | 95 | 95 | 240 | 20 | 174 | 8-18 | 250 | 210 | 184 | 8-18 | 250 | 210 | 184 | 8-18 |
150 | 140 | 142.5 | 447 | 95 | 95 | 265 | 225 | 199 | 8-18 | 285 | 240 | 211 | 8-22 | 285 | 240 | 211 | 8-22 |
200 | 152 | 170 | 607 | 190 | 308 | 320 | 280 | 254 | 8-18 | 340 | 295 | 266 | 8-22 | 340 | 295 | 266 | 12-22 |
250 | 165 | 192.5 | 688 | 190 | 308 | 375 | 335 | 309 | 12-18 | 395 | 350 | 319 | 12-22 | 405 | 355 | 319 | 12-26 |
300 | 178 | 222.5 | 742 | 190 | 308 | 440 | 395 | 363 | 12-22 | 445 | 400 | 370 | 12-22 | 460 | 410 | 370 | 12-26 |
350 | 190 | 252.5 | 797 | 190 | 308 | 490 | 445 | 413 | 12-22 | 505 | 460 | 429 | 16-22 | 520 | 470 | 429 | 16-26 |
400 | 216 | 282.5 | 930 | 270 | 466 | 540 | 495 | 463 | 16-22 | 565 | 515 | 480 | 16-26 | 580 | 525 | 480 | 16-30 |
450 | 222 | 307.5 | 975 | 270 | 466 | 595 | 550 | 518 | 16-22 | 615 | 565 | 530 | 20-26 | 640 | 585 | 548 | 20-30 |
500 | 229 | 335 | 1065 | 270 | 466 | 645 | 600 | 568 | 20-22 | 670 | 620 | 582 | 20-26 | 715 | 650 | 609 | 20-33 |
600 | 267 | 390 | 1225 | 457 | 625 | 755 | 705 | 667 | 20-26 | 780 | 725 | 682 | 20-30 | 840 | 770 | 720 | 20-36 |
700 | 292 | 447.5 | 1343 | 457 | 625 | 860 | 810 | 772 | 24-26 | 895 | 840 | 794 | 24-30 | 910 | 840 | 794 | 24-36 |
800 | 318 | 507.5 | 1436 | 457 | 625 | 975 | 920 | 878 | 24-30 | 1015 | 950 | 901 | 24-33 | 1025 | 950 | 901 | 24-39 |
900 | 330 | 557.5 | 1616 | 598 | 853 | 1075 | 1020 | 978 | 24-30 | 1115 | 1050 | 1001 | 28-33 | 1125 | 1050 | 1001 | 28-39 |
1000 | 410 | 615 | 1711 | 598 | 853 | 1175 | 1120 | 1078 | 28-30 | 1230 | 1160 | 1112 | 28-36 | 1255 | 1170 | 1112 | 28-42 |
1200 | 470 | 727.5 | 1971 | 598 | 853 | 1405 | 1340 | 1295 | 32-33 | 1455 | 1380 | 1328 | 32-39 | 1485 | 1390 | 1328 | 32-48 |
1400 | 530 | 837.5 | 2218 | 860 | 1345 | 1630 | 1560 | 1510 | 36-36 | 1675 | 1590 | 1530 | 36-42 | 1685 | 1590 | 1530 | 36-48 |
1600 | 600 | 957.5 | 2578 | 860 | 1345 | 1830 | 1760 | 1710 | 40-36 | 1915 | 1820 | 1750 | 40-48 | 1930 | 1820 | 1750 | 40-56 |
1800 | 670 | 1057.5 | 2689 | 860 | 1345 | 2045 | 1970 | 1918 | 44-39 | 2115 | 2020 | 1950 | 44-48 | 2130 | 2020 | 1950 | 44-56 |
2000 | 760 | 1162.5 | 3022 | 952 | 1592 | 2265 | 2180 | 2125 | 48-42 | 2325 | 2230 | 2150 | 48-48 | 2345 | 2230 | 2150 | 48-62 |