SD341X/SD343H伸縮蝶閥具有自動補償管道熱脹冷縮方便裝卸的功能,使用于溫度在425℃以下,公稱壓力在1.6MPa以下的石油、化工、電力、造紙、給排水和市政建設等工業管道上作調節流量和載斷流體的理想裝置。
產品名稱: | 伸縮蝶閥 | 產品型號: | SD341X/SD343H |
公稱通徑: | DN40~DN1200 | 閥座密封: | 橡膠密封或金屬硬密封 |
公稱壓力: | 0.6MPa~1.0MPa~1.6MPa | 連接方式: | 法蘭式 |
適用溫度: | -30ºC~+425ºC | 驅動方式: | 手動、蝸輪、電動、氣動、液動 |
閥體材質: | 鑄鐵、球墨鑄鐵、鑄鋼、不銹鋼 | 制造標準: | 國標GB、德國DIN、美國API、ANSI |
適用介質: | 空氣、水、蒸氣、煤氣、油品等 | 生產廠家: | 浙江嵐勝閥門有限公司 |
1、結構獨特,設計靈活,重量輕,省力,啟閉迅速。
2、伸縮蝶閥不僅能補償管道溫差縮產生的熱脹冷縮的功能,還能為維修閥門安裝更換提供方便。
3、密封部位可調節更換,密封性能可靠。
工作壓力(MPa) | 0.6 | 1.0、1.6、2.5 | ||
適用溫度(℃) | 橡膠密封≤80℃ | 適用溫度(℃) | 金屬硬密封≤425℃ | |
適用介質 | 水、污水、油品、空氣等 | 適用介質 | 水、蒸汽、污水、油品、空氣等 | |
材料 | 閥體 | 灰鑄鐵 | 灰鑄鐵、鑄鋼 | 球墨鑄鐵 |
蝶板 | 球墨鑄鐵(表面處理) | 球墨鑄鐵、不銹鋼 | 球墨鑄鐵 | |
閥桿 | 2Cr13 | 不銹鋼、碳素鋼 | 鉻不銹鋼 | |
公稱通徑 | DN(mm) | 50~2200 | ||
公稱壓力 | PN(MPa) | 0.6 | 1.0 | 1.6 |
試驗壓力 | 強度試驗 | 0.9 | 1.5 | 2.4 |
密封試驗 | 0.66 | 1.1 | 1.76 | |
氣密封試驗 | 0.6 | 0.6 | 0.6 | |
適用溫度 | ≤80℃~425℃ | |||
適用介質 | 空氣、水、蒸氣、煤氣、油品等。 | |||
驅動形式 | 手動、蝸桿蝸輪傳動、氣傳動、電傳動。 | |||

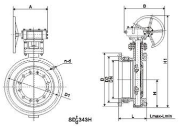
公 稱 通 徑 | 外形尺寸(●考值) | 蘭尺寸和算檢孔尺寸(標率 | 值) | |||||||||||||||||
H | H1 | 設計 | 設計 | 設計 | A | B | 0.6MPo | 1.0MPo | 1.6MPa | |||||||||||
D | D1 | D2 | N-D | D | D1 | D2 | N-D | D | D1 | D2 | N-D | |||||||||
50 | 2 | 80 | 309 | 186 | 156 | 171 | 180 | 200 | 140 | 110 | 88 | 4-14 | 65 | 125 | 99 | 4-18 | 165 | 125 | 99 | 4-18 |
65 | 212 | 95 | 337 | 190 | 160 | 175 | 180 | 200 | 160 | 130 | 108 | 4-14 | 185 | 145 | 118 | 4-18 | 185 | 145 | 118 | 4-18 |
80 | 3 | 98 | 347 | 198 | 166 | 182 | 180 | 200 | 190 | 150 | 124 | 4-18 | 200 | 160 | 132 | 8-18 | 200 | 160 | 132 | 8-18 |
100 | 4 | 114 | 373 | 228 | 188 | 208 | 180 | 200 | 210 | 170 | 144 | 4-18 | 220 | 180 | 156 | 8-18 | 220 | 180 | 158 | 8-18 |
125 | 5 | 128 | 405 | 240 | 201 | 220 | 180 | 200 | 240 | 200 | 174 | 8-18 | 250 | 210 | 184 | 8-18 | 250 | 210 | 184 | 8-18 |
150 | 6 | 139 | 440 | 246 | 206 | 226 | 270 | 280 | 265 | 225 | 199 | 8-18 | 285 | 240 | 211 | 8-22 | 285 | 240 | 211 | 8-22 |
200 | 8 | 174 | 612 | 265 | 219 | 242 | 400 | 425 | 320 | 280 | 254 | 8-18 | 340 | 295 | 266 | B-22 | 340 | 295 | 268 | 12-22 |
250 | 10 | 215 | 893 | 295 | 240 | 267 | 400 | 425 | 375 | 335 | 309 | 12-18 | 395 | 350 | 319 | 12-22 | 405 | 355 | 319 | 12-26 |
300 | 12 | 245 | 747 | 308 | 254 | 282 | 450 | 560 | 440 | 395 | 363 | 12-22 | 445 | 400 | 370 | 12-22 | 460 | 410 | 370 | 12-26 |
350 | 14 | 270 | 802 | 327 | 272 | 300 | 450 | 560 | 490 | 445 | 413 | 12-22 | 505 | 460 | 429 | 16-22 | 520 | 470 | 429 | 16-26 |
400 | 16 | 305 | 991 | 368 | 308 | 338 | 535 | 580 | 540 | 495 | 463 | 16-22 | 565 | 515 | 480 | 16-28 | 680 | 525 | 480 | 16-30 |
450 | 18 | 325 | 1037 | 370 | 310 | 340 | 535 | 580 | 595 | 560 | 518 | 16-22 | 615 | 265 | 530 | 20-26 | 640 | 585 | 548 | 20-30 |
500 | 20 | 360 | 1127 | 392 | 332 | 362 | 535 | 580 | 645 | 600 | 568 | 20-22 | 670 | 620 | 582 | 20-26 | 715 | 650 | 609 | 20-33 |
600 | 24 | 445 | 1377 | 441 | 375 | 408 | 570 | 660 | 755 | 705 | 667 | 20-26 | 780 | 725 | 682 | 20-30 | 840 | 770 | 720 | 20-36 |
700 | 28 | 505 | 496 | 460 | 400 | 430 | 750 | 550 | 860 | 810 | 772 | 24-26 | 895 | 840 | 794 | 24-30 | 910 | 840 | 794 | 24-36 |
800 | 32 | 560 | 1584 | 499 | 445 | 475 | 750 | 550 | 975 | 920 | 878 | 24-30 | 1015 | 950 | 901 | 24-33 | 1025 | 950 | 901 | 24-39 |
900 | 36 | 630 | 676 | 520 | 460 | 490 | 750 | 550 | 1075 | 1020 | 978 | 24-30 | 1115 | 1050 | 1001 | 28-33 | 1125 | 1050 | 1001 | 28-39 |
1000 | 40 | 680 | 760 | 600 | 530 | 565 | 900 | 750 | 1175 | 1120 | 1078 | 28-30 | 1230 | 1160 | 1112 | 28-36 | 1255 | 1170 | 1112 | 28-42 |
1200 | 48 | 795 | 2018 | 675 | 571 | 823 | 1000 | 925 | 1405 | 1340 | 1295 | 32-33 | 1455 | 1380 | 1328 | 32-39 | 1485 | 1390 | 1328 | 32-48 |
1400 | 56 | 900 | 2363 | 760 | 683 | 722 | 1000 | 925 | 1630 | 1560 | 1510 | 36-38 | 1675 | 1590 | 1530 | 36-42 | 1685 | 1590 | 1530 | 36-48 |
1600 | 64 | 1100 | 2723 | 860 | 770 | 815 | 1000 | 925 | 1830 | 1760 | 1710 | 40-36 | 1915 | 1820 | 1750 | 40-48 | 1930 | 1820 | 1750 | 40-56 |
1800 | 72 | 1124 | 2844 | 930 | 830 | 880 | 100 | 980 | 2045 | 1970 | 1718 | 44-39 | 2115 | 2020 | 1950 | 44-48 | 2130 | 2020 | 1950 | 44-56 |
2000 | 80 | 1292 | 3127 | 020 | 920 | 970 | 1100 | 980 | 2265 | 2180 | 2125 | 48-42 | 2325 | 2230 | 2150 | 48-48 | 2345 | 2230 | 2150 | 48-62 |