D371F46襯四氟蝶閥廣泛用于防腐管道系統上。主要用以實現閥門的開啟、關閉與調節。全襯聚四氟乙烯(F4)、聚三氟氯乙烯(F3)和聚全氟乙丙烯(F46)氟塑料襯里閥,具有耐腐蝕、無泄漏、壽命長等優點。 適用于濃硫酸、鹽酸、硝酸、氫氟酸、王水、各種有機酸、強酸、氧化性介質或高溫烯硫酸、高溫濃醋酸、酸堿交替及多種有機溶劑和其它強腐蝕性介質。
產品名稱: | 襯四氟蝶閥 | 產品型號: | D371F46 |
公稱通徑: | DN40~DN1200 | 閥座密封: | F4、F46 |
公稱壓力: | 1.0Mpa~1.6MPa | 連接方式: | 對夾式、法蘭式 |
適用溫度: | -25ºC~+150ºC | 驅動方式: | 手動、蝸輪、電動、氣動 |
閥體材質: | 鑄鐵、鑄鋼、不銹鋼 | 制造標準: | 國標GB、德國DIN、美國API、ANSI |
適用介質: | 強酸、堿、硫酸、王水腐蝕性液體 | 生產廠家: | 浙江嵐勝閥門有限公司 |
1、中線蝶閥為整個蝶板與閥座在360°圓周內同心(中線),具有雙向密封功能,壓力,流量可自由調節;
2、四級加載彈性密封,絕對保證了閥門內、外的零泄漏;
a、軸頭、蝶板園周連接處的特殊過渡曲線與閥座的合理過盈;
b、軸頭端面采用彈性O型圈和軸肩處剛性墊圈、彈性橡膠墊組合;
c、軸的徑向采用O型圈與金屬墊的組合;
d、閥座鑲在有彈性條的閥體的槽內;
3、采用可調彈性彈子定位。定位準確,結構簡單。
設計標準 | GB12238 |
結構長度 | GB12221 |
法蘭標準 | JB/T79-94 |
GB9113.1-26 | |
檢驗試驗 | GB/T13927 |
驅動方式 | 蝸輪、手動、電動、氣動 |
零件名稱 | 材料 |
上下閥體 | 鑄鐵、鑄鋼、不銹鋼、襯F46、F4 |
閥座 | 鑄鋼 |
帶桿蝶板 | 鑄鋼、不銹鋼、襯F46、F4 |
填料 | F4 |
襯墊 | 硅橡膠 |
蝸輪手柄 | 球墨鑄鐵 |

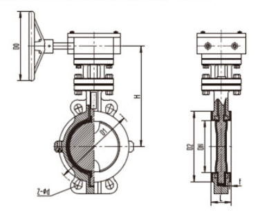
公稱通徑 | 標準值 | 參考值 | |||||||||
DN (mm) | NPS (inch) | L | D | D1 | D2 | f | b | Z-φd | D0 | H | W(kg) |
PN1.0(MPa) | |||||||||||
40 | 11/2 | 33 | 145 | 110 | 85 | 3 | 18 | 4-φ18 | 160 | 140 | 3 |
50 | 2 | 43 | 160 | 125 | 100 | 3 | 20 | 4-φ18 | 200 | 200 | 4 |
65 | 21/2 | 46 | 180 | 145 | 120 | 3 | 20 | 4-φ18 | 250 | 250 | 6 |
80 | 3 | 46 | 195 | 160 | 135 | 3 | 22 | 4-φ18 | 250 | 250 | 8 |
100 | 4 | 52 | 215 | 180 | 155 | 3 | 22 | 8-φ18 | 300 | 185 | 12 |
125 | 5 | 56 | 245 | 210 | 185 | 3 | 24 | 8-φ18 | 300 | 203 | 18 |
150 | 6 | 56 | 280 | 240 | 210 | 3 | 24 | 8-φ23 | 200 | 225 | 28 |
200 | 8 | 60 | 335 | 295 | 265 | 3 | 26 | 8-φ23 | 200 | 275 | 56 |
250 | 10 | 68 | 390 | 350 | 320 | 3 | 28 | 12-φ23 | 240 | 315 | 72 |
300 | 12 | 78 | 440 | 400 | 368 | 4 | 28 | 12-φ23 | 240 | 348 | 88 |
350 | 14 | 78 | 500 | 460 | 428 | 4 | 30 | 16-φ23 | 280 | 415 | 170 |
400 | 16 | 102 | 565 | 515 | 482 | 4 | 32 | 16-φ25 | 280 | 460 | 145 |
450 | 18 | 114 | 615 | 565 | 532 | 4 | 32 | 20-φ25 | 320 | 500 | 165 |
500 | 20 | 127 | 670 | 620 | 585 | 4 | 34 | 20-φ30 | 320 | 530 | 195 |
600 | 24 | 154 | 780 | 725 | 685 | 5 | 36 | 20-φ30 | 360 | 610 | 268 |
700 | 28 | 165 | 895 | 840 | 800 | 5 | 40 | 24-φ30 | 360 | 675 | 320 |
800 | 32 | 190 | 1010 | 950 | 905 | 5 | 44 | 24-φ30 | 360 | 805 | 395 |
900 | 36 | 203 | 1110 | 1050 | 1005 | 5 | 46 | 28-φ34 | 380 | 995 | 450 |
1000 | 40 | 216 | 1220 | 1160 | 1115 | 5 | 50 | 28-φ34 | 400 | 1170 | 680 |
1200 | 48 | 254 | 1450 | 1380 | 1325 | 5 | 56 | 32-φ41 | 400 | 1295 | 825 |
公稱通徑 | 標準值 | 參考值 | |||||||||
DN (mm) | NPS (inch) | L | D | D1 | D2 | f | b | Z-φd | D0 | H | W(kg) |
PN1.6(MPa) | |||||||||||
40 | 11/2 | 33 | 145 | 110 | 85 | 3 | 18 | 4-φ18 | 200 | 145 | 4 |
50 | 2 | 43 | 160 | 125 | 100 | 3 | 20 | 4-φ18 | 200 | 150 | 5 |
65 | 21/2 | 46 | 180 | 145 | 120 | 3 | 20 | 4-φ18 | 250 | 160 | 7 |
80 | 3 | 46 | 195 | 160 | 135 | 3 | 22 | 8-φ18 | 250 | 170 | 10 |
100 | 4 | 52 | 215 | 180 | 155 | 3 | 24 | 8-φ18 | 300 | 185 | 14 |
125 | 5 | 56 | 245 | 210 | 185 | 3 | 26 | 8-φ18 | 300 | 210 | 22 |
150 | 6 | 56 | 280 | 240 | 210 | 3 | 28 | 8-φ23 | 200 | 230 | 32 |
200 | 8 | 60 | 335 | 295 | 265 | 3 | 30 | 12-φ23 | 240 | 285 | 66 |
250 | 10 | 68 | 405 | 355 | 320 | 3 | 32 | 12-φ25 | 240 | 325 | 80 |
300 | 12 | 78 | 460 | 410 | 375 | 4 | 34 | 12-φ25 | 280 | 360 | 94 |
350 | 14 | 78 | 520 | 470 | 435 | 4 | 38 | 16-φ25 | 280 | 430 | 125 |
400 | 16 | 102 | 580 | 525 | 485 | 4 | 40 | 16-φ30 | 320 | 475 | 150 |
450 | 18 | 114 | 640 | 585 | 545 | 4 | 44 | 20-φ30 | 320 | 525 | 172 |
500 | 20 | 127 | 705 | 650 | 608 | 4 | 46 | 20-φ34 | 320 | 565 | 225 |
600 | 24 | 154 | 840 | 770 | 718 | 5 | 54 | 24-φ41 | 360 | 620 | 290 |
700 | 28 | 165 | 910 | 840 | 788 | 5 | 54 | 24-φ41 | 360 | 686 | 268 |
800 | 32 | 190 | 1020 | 950 | 898 | 5 | 54 | 24-φ41 | 380 | 815 | 425 |
900 | 36 | 203 | 1120 | 1050 | 998 | 5 | 54 | 28-φ41 | 400 | 1010 | 495 |
1000 | 40 | 216 | 1255 | 1170 | 1110 | 5 | 60 | 28-φ48 | 400 | 1185 | 710 |