D371X軟密封蝶閥該產品由橡膠或四氟密封蝶閥和碳鋼或不銹鋼閥板、閥桿構成。適用于溫度≤80~120℃如食品、醫藥、化工、石油、電力、輕紡、造紙等給排水、氣體管道上作調節流量和截流介質的作用。
產品名稱: | 軟密封蝶閥 | 產品型號: | D371X |
公稱通徑: | DN50~DN1000 | 閥座密封: | 橡膠、四氟 |
公稱壓力: | 1.0Mpa~1.6MPa | 連接方式: | 對夾、法蘭 |
適用溫度: | -20ºC~+150ºC | 驅動方式: | 手動、蝸輪、電動、氣動 |
閥體材質: | 鑄鐵、球墨鑄鐵、鑄鋼、不銹鋼 | 制造標準: | 國標GB、德國DIN、美國API、ANSI |
適用介質: | 水、油、氣體、粉體、液體 | 生產廠家: | 浙江嵐勝閥門有限公司 |
1、密封件可以更換,密封性能可靠達到雙向密封零泄漏。
2、操力矩小,操作方便,省力靈巧。
3、可以任何位置安裝,維修方便。
4、設計新穎、合理、結構獨特,重量輕,啟閉迅速。
5、密封材料耐老化、耐弱腐蝕,使用壽命長等特點。
零件名稱 | 材料 |
閥體 | 球墨鑄鐵、鑄鋼、合金鋼、不銹鋼 |
蝶板 | 不銹鋼2507、1.4529、球鐵襯膠及特殊材料 |
密封圈 | 各種橡膠、聚四氟 |
閥桿 | 2Cr13、不銹鋼 |
填料 | O型圈、柔性石墨O |
材料品種 | 氯丁橡膠 | 丁晴橡膠 | 乙丙橡膠 | 聚四氟乙烯 | 硅橡膠 | 氟橡膠 | 天然橡膠 |
英語簡稱 | CR | NBR | EPDM | PTFE | SI | VITON | NR |
型號代號 | X或J | XA或JA | XB或JB | F或XC、JC | XD或JD | XE或JE | X1 |
耐最高溫度 | 82℃ | 93℃ | 150℃ | 232℃ | 250℃ | 204℃ | 85℃ |
耐最低溫度 | -40℃ | -40℃ | -40℃ | -268℃ | -70℃ | -23℃ | -20℃ |
適用工作溫度 | 0~+80℃ | -20~+82℃ | -40~+125℃ | -30~+150℃ | -70~+150℃ | -23~+150℃ | -20~+85℃ |

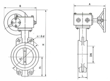
DN | 主 要 外 形 尺 寸 | 主 要 連 接 尺 寸 | |||||||||
0.6 MPa | 1.0 MPa | 1.6 MPa | |||||||||
L | H | HO | A | B | DO | n-d | DO | n-d | DO | n-d | |
50 | 43 | 63 | 306 | 180 | 200 | 110 | 4-14 | 125 | 4-18 | 125 | 4-18 |
65 | 46 | 70 | 321 | 180 | 200 | 130 | 4-14 | 145 | 4-18 | 145 | 4-18 |
80 | 46 | 83 | 346 | 180 | 200 | 150 | 4-18 | 160 | 8-18 | 160 | 8-18 |
100 | 52 | 105 | 387 | 180 | 200 | 170 | 4-18 | 180 | 8-18 | 180 | 8-18 |
125 | 56 | 115 | 411 | 180 | 200 | 200 | 8-18 | 210 | 8-18 | 210 | 8-18 |
150 | 56 | 137 | 447 | 270 | 280 | 225 | 8-18 | 240 | 8-22 | 240 | 8-22 |
200 | 60 | 164 | 572 | 270 | 280 | 280 | 8-18 | 295 | 8-22 | 295 | 12-22 |
250 | 68 | 206 | 646 | 270 | 280 | 335 | 12-18 | 350 | 12-22 | 355 | 12-26 |
300 | 78 | 230 | 738 | 380 | 420 | 395 | 12-22 | 400 | 12-22 | 410 | 12-26 |
350 | 78 | 248 | 761 | 380 | 420 | 445 | 12-22 | 460 | 16-22 | 470 | 16-26 |
400 | 102 | 289 | 877 | 450 | 470 | 495 | 16-22 | 515 | 16-26 | 525 | 16-30 |
450 | 114 | 320 | 938 | 480 | 490 | 550 | 16-22 | 565 | 20-26 | 585 | 20-30 |
500 | 127 | 343 | 993 | 480 | 490 | 600 | 20-22 | 620 | 20-26 | 650 | 20-33 |
600 | 154 | 413 | 1131 | 480 | 490 | 705 | 20-26 | 725 | 20-30 | 770 | 20-36 |
700 | 165 | 478 | 1476 | 640 | 660 | 810 | 24-26 | 840 | 24-30 | 840 | 24-36 |
800 | 190 | 525 | 1533 | 640 | 660 | 920 | 24-30 | 950 | 24-33 | 950 | 24-39 |
900 | 203 | 585 | 1655 | 750 | 860 | 1020 | 24-30 | 1050 | 28-33 | 1050 | 28-39 |
1000 | 216 | 640 | 1765 | 850 | 900 | 1120 | 28-30 | 1160 | 28-36 | 1170 | 28-42 |
1200 | 254 | 755 | 1995 | 850 | 900 | 1340 | 32-33 | 1380 | 32-39 | 1390 | 32-48 |