D373H美標蝶閥采用三維偏心斜錐形閥座密封,蝶板密封采用新型金屬片與彈性材料層疊而成,嵌裝在蝶板上與閥座吻合。利用蝶板擺動壓緊密封,所以密封面摩擦阻力小,關閉時具有越關越緊功能,這樣密封性可靠,開啟確保密封面完全脫離接觸,保證了密封面不受損傷。該蝶閥結構特點排除了其他類型蝶閥開過位而不能密封的缺點,且在高溫下能正常使用,克服了其它類型閥門在高溫使用時因熱膨脹而容易泄漏的缺點。該蝶閥耕具使用介質要求,選用不同密封面材料,以保證密封面耐磨損、耐腐蝕、使用壽命長。
產品名稱: | 美標蝶閥 | 產品型號: | D373H |
公稱通徑: | DN50~DN2400 | 閥座密封: | 金屬密封 |
公稱壓力: | 1.6Mpa~5.0MPa、150LB-300LB | 連接方式: | 對夾、法蘭 |
適用溫度: | -20ºC~+425ºC | 驅動方式: | 手柄、蝸輪、氣動、電動 |
閥體材質: | WCB、鑄鋼、碳鋼、不銹鋼 | 制造標準: | 國標GB、德國DIN、美國API、ANSI |
適用介質: | 水、油、蒸汽、海水 | 生產廠家: | 浙江嵐勝閥門有限公司 |
設計標準 | API609-83 |
法蘭連接尺寸 | ANSI B16.5 |
結構長度 | ANSI B16.10-1992 |
壓力試驗: | API598-82 |
公稱通徑 | DN(mm) | 2"~36" | |
公稱壓力 | PN(Mpa) | 150Lb | 300Lb |
試驗壓力 | 強度試驗 | 3.0 | 7.5 |
密封試驗 | 2.2 | 5.5 | |
適用介質 | 水、蒸汽、油品、海水等 | ||
適用溫度 | -29℃~425℃ | ||
零件名稱 | 材料 |
閥體 | WCB、304、316、316SS、CF8M |
蝶板 | WCB、304、316、316SS、CF8M |
閥桿 | 316、2Cr13、1Cr18Ni9Ti |
密封圈 | 316、氟塑料 |
填料 | 柔性石墨、氟塑料 |

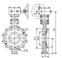
公稱通徑 | 結構長度 (標準值) | 外形尺寸 (參考值) | 連接尺寸 (標準值) | 參考重量 (kg) | |||||||
L | L1 | H | H0 | D | D1 | D2 | M | Z-d | |||
2" | 50 | 43 | 108 | 110 | 345 | 152 | 120.5 | 92 | M18 | 4-19 | 9 |
3" | 80 | 49 | 114 | 125 | 380 | 190 | 152.5 | 127 | M18 | 4-19 | 11 |
4" | 100 | 56 | 127 | 145 | 415 | 229 | 190.5 | 157 | M18 | 8-19 | 13 |
5" | 125 | 64 | 140 | 165 | 455 | 254 | 216 | 186 | M20 | 8-22 | 16 |
6" | 150 | 70 | 140 | 175 | 545 | 279 | 241.5 | 216 | M20 | 8-22 | 26 |
8" | 200 | 71 | 150 | 210 | 645 | 343 | 298.5 | 270 | M20 | 8-22 | 34 |
10" | 250 | 76 | 160 | 250 | 695 | 406 | 362 | 324 | M24 | 12-25 | 51 |
12" | 300 | 86 | 178 | 285 | 830 | 483 | 432 | 381 | M24 | 12-25 | 72 |
14" | 350 | 92 | 190 | 320 | 900 | 533 | 476 | 413 | M27 | 12-29 | 106 |
16" | 400 | 102 | 216 | 355 | 980 | 597 | 540 | 470 | M27 | 16-29 | 133 |
18" | 450 | 114 | 222 | 380 | 1030 | 635 | 578 | 533 | M30 | 16-32 | 176 |
20" | 500 | 127 | 229 | 415 | 1110 | 699 | 635 | 584 | M30 | 20-32 | 190 |
24" | 600 | 154 | 267 | 475 | 1305 | 813 | 749.5 | 692 | M33 | 20-35 | 394 |
30" | 750 | 165 | 292 | 580 | 1525 | 985 | 914 | 857 | M33 | 28-35 | 476 |
32" | 800 | 190 | 318 | 630 | 1585 | 1060 | 978 | 914 | M39 | 28-41 | 618 |
36" | 900 | 203 | 330 | 680 | 1765 | 1168 | 1085 | 1022 | M39 | 32-41 | 762 |
公稱通徑 | 結構長度 (標準值) | 外形尺寸 (參考值) | 連接尺寸 (標準值) | 參考重量 (kg) | |||||
L | H | H0 | D1 | D2 | M | Z-d | |||
6" | 150 | 70 | 175 | 545 | 241.5 | 216 | M20 | 8-22 | 28 |
8" | 200 | 71 | 210 | 615 | 298.5 | 270 | M20 | 8-22 | 36 |
10" | 250 | 76 | 250 | 695 | 362 | 324 | M24 | 12-25 | 53 |
12" | 300 | 86 | 285 | 830 | 432 | 381 | M24 | 12-25 | 74 |
14" | 350 | 92 | 320 | 900 | 476 | 413 | M27 | 12-29 | 110 |
16" | 400 | 102 | 355 | 980 | 540 | 470 | M27 | 16-29 | 138 |
18" | 450 | 114 | 380 | 1030 | 578 | 533 | M30 | 16-32 | 180 |
20" | 500 | 127 | 415 | 1110 | 635 | 584 | M30 | 20-32 | 196 |
24" | 600 | 154 | 475 | 1305 | 749.5 | 692 | M33 | 20-35 | 400 |
30" | 750 | 165 | 580 | 1525 | 914 | 857 | M33 | 28-35 | 482 |
36" | 900 | 203 | 680 | 1765 | 1085 | 1022 | M39 | 32-41 | 488 |
公稱通徑 | 結構長度 (標準值) | 外形尺寸 (參考值) | 連接尺寸(標準值) | 參考重量(kg) | ||||||||
L | L1 | H | H0 | D | D1 | D2 | M | Z-d | ||||
2" | 50 | 43 | 108 | 110 | 345 | 165 | 127 | 92 | M18 | 8-19 | 9 | 20 |
3" | 80 | 49 | 114 | 125 | 380 | 210 | 168 | 127 | M20 | 8-22 | 12 | 29 |
4" | 100 | 56 | 127 | 145 | 415 | 254 | 200 | 157 | M20 | 8-22 | 13 | 35 |
5" | 125 | 64 | 140 | 165 | 455 | 279 | 235 | 186 | M20 | 8-22 | 18 | 40 |
6" | 150 | 70 | 140 | 175 | 545 | 318 | 270 | 216 | M20 | 12-22 | 28 | 81 |
8" | 200 | 71 | 150 | 210 | 645 | 381 | 330 | 270 | M24 | 12-26 | 37 | 94 |
10" | 250 | 76 | 160 | 250 | 695 | 445 | 387 | 324 | M27 | 16-29 | 56 | 158 |
12" | 300 | 86 | 178 | 285 | 830 | 521 | 451 | 381 | M30 | 16-32 | 79 | 183 |
14" | 350 | 92 | 190 | 320 | 900 | 584 | 514 | 413 | M30 | 20-32 | 116 | 239 |
16" | 400 | 102 | 216 | 355 | 980 | 648 | 571 | 470 | M33 | 20-35 | 146 | 302 |
18" | 450 | 114 | 222 | 380 | 1030 | 711 | 628 | 533 | M33 | 24-35 | 193 | 346 |
20" | 500 | 127 | 229 | 415 | 1110 | 775 | 686 | 584 | M33 | 24-35 | 209 | 434 |
24" | 600 | 154 | 267 | 475 | 1305 | 914 | 813 | 692 | M39 | 24-41 | 433 | 638 |
30" | 750 | 165 | 292 | 580 | 1525 | 1092 | 997 | 857 | M45 | 28-49 | 523 | 788 |
36" | 900 | 203 | 330 | 680 | 1765 | 1270 | 1168 | 1022 | M50 | 32-53 | 838 | 1146 |
公稱通徑 | 結構長度 (標準值) | 外形尺寸 (參考值) | 連接尺寸 (標準值) | 參考重量(kg) | |||||
L | H | H0 | D1 | D2 | M | Z-d | |||
6" | 150 | 76 | 175 | 545 | 270 | 216 | M20 | 12-22 | 29 |
8" | 200 | 89 | 210 | 615 | 330 | 270 | M24 | 12-26 | 38 |
10" | 250 | 114 | 250 | 695 | 387 | 324 | M27 | 16-29 | 58 |
12" | 300 | 114 | 285 | 830 | 451 | 381 | M30 | 16-32 | 81 |
14" | 350 | 127 | 320 | 900 | 514 | 413 | M30 | 20-32 | 119 |
16" | 400 | 140 | 355 | 980 | 591 | 470 | M33 | 24-35 | 149 |
18" | 450 | 152 | 380 | 1030 | 628 | 533 | M33 | 24-35 | 198 |
20" | 500 | 152 | 415 | 1110 | 686 | 584 | M33 | 24-35 | 215 |
24" | 600 | 178 | 475 | 1305 | 813 | 692 | M39 | 24-41 | 436 |
30" | 750 | 229 | 580 | 1525 | 997 | 857 | M45 | 28-49 | 528 |
36" | 900 | 241 | 680 | 1765 | 1168 | 1022 | M50 | 32-52 | 843 |