F500鋁合金防結露蝶閥適用于空調、工業水處理設備,有很強的防結露功能。鋁合金壓鑄閥體,杜絕銹蝕。在防止結露方面發揮超群的功能。利用多年積累的技術和經驗開發的獨特的多層次漸近接觸式閥座,以及綜合其它多項技術,具有施工簡單、使用壽命長的特點。
產品名稱: | 鋁合金防結露蝶閥 | 產品型號: | F500 |
公稱通徑: | DN50~DN1000 | 閥座密封: | 軟密封、EPDM橡膠 |
公稱壓力: | 1.0Mpa | 連接方式: | 對夾 |
適用溫度: | 0ºC~+120ºC | 驅動方式: | 手動、蝸輪、電動、氣動 |
閥體材質: | 鋁合金 | 制造標準: | 國標GB、德國DIN、美國API、ANSI |
適用介質: | 工業水 | 生產廠家: | 浙江嵐勝閥門有限公司 |
1、具有良好的流體控制特性和關閉密封性能。
2、低壓下,可以實現良好的密封。 調節性能好。
3、蝶板的流線形設計,使流體阻力損失小,可謂是一種節能型產品。
4、閥桿為通桿結構,經過調質處理,有良好的綜合力學性能和抗腐蝕性,抗擦傷性。
5、連接方式有法蘭連接、對夾連接、對焊連接及凸耳對夾連接等等。
類型 | F500 | 結構長度 | JIS GB API |
閥門公稱口徑 | 40-300mm | 頂部法蘭標準 | 國標標準ISO 5211 |
適用法蘭規格 | JIS ANSI GB | 標準材質 | 閥體:鋁合金 |
最大工作壓力 | 1.0MPa | 閥板:不銹鋼 | |
使用溫度范圍 | 0-120℃ EPDM 0-70℃ NBR | 密封圈:EPDM(MBR) | |
泄漏試驗壓力 | 1.1MPa | 噴涂規格 | 聚酯粉體涂料 |
閥體試驗壓力 | 1.5MPa | ||
驅動形式 | 手柄式、齒輪式、氣缸式、電動式 |

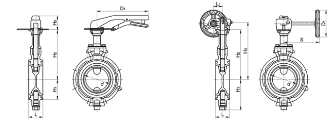
規格 | 尺寸 (mm) | 重量 (kg) | ||||||||
mm | inch | d | L | H1 | H2 | H3 | L1 | L2 | D1 | |
40 | 11/2" | 42 | 33 | 70 | 145 | 51 | 47 | 68 | 250 | 1.4 |
50 | 2" | 52 | 43 | 82 | 145 | 51 | 47 | 68 | 250 | 1.7 |
65 | 21/2" | 67 | 46 | 90 | 157 | 51 | 47 | 68 | 250 | 2.1 |
80 | 3" | 80 | 46 | 99 | 165 | 51 | 47 | 68 | 250 | 2.3 |
100 | 4" | 102 | 52 | 112 | 183 | 51 | 47 | 68 | 250 | 2.8 |
125 | 5" | 126 | 56 | 132 | 196 | 60 | 63 | 86 | 330 | 4.8 |
150 | 6" | 150 | 56 | 146 | 214 | 60 | 63 | 86 | 330 | 6.0 |
規格 | 尺寸 (mm) | 重量 (kg) | ||||||||||
mm | d | L | H1 | H2 | H3 | L1 | L2 | L3 | S | D1 | ||
40 | 11/2" | 42 | 33 | 70 | 145 | 168 | 35 | 35 | 56 | 132 | 100 | 2.0 |
50 | 2" | 52 | 43 | 82 | 145 | 168 | 35 | 35 | 56 | 132 | 100 | 2.3 |
65 | 21/2" | 67 | 46 | 90 | 157 | 180 | 35 | 35 | 56 | 132 | 100 | 2.7 |
80 | 3" | 80 | 46 | 99 | 165 | 188 | 35 | 35 | 56 | 132 | 100 | 2.9 |
100 | 4" | 102 | 52 | 112 | 183 | 206 | 41 | 39 | 68 | 132 | 100 | 3.4 |
125 | 5" | 126 | 56 | 132 | 196 | 220 | 58 | 48 | 89 | 149 | 140 | 5.8 |
150 | 6" | 150 | 56 | 146 | 214 | 238 | 58 | 48 | 89 | 149 | 140 | 7.4 |
200 | 8" | 199 | 60 | 188 | 241 | 272 | 58 | 48 | 89 | 149 | 140 | 9.6 |
250 | 10" | 248 | 68 | 220 | 320 | 367 | 67 | 61 | 97 | 200 | 200 | 21.5 |
300 | 12" | 297 | 78 | 255 | 355 | 402 | 67 | 63 | 97 | 200 | 200 | 31.0 |