GQ47H軌道式球閥適用于輸送和分配石油、天然氣,化學制品的輸送,特別是腐蝕性或高粘度介質,在紡織機械的液壓系統中控制流體的流動。
產品名稱: | 軌道式球閥 | 產品型號: | GQ47H、GQ347H、GQ647H、GQ947H |
公稱通徑: | DN25~DN500 | 結構形式: | 球形 |
公稱壓力: | 1.6Mpa~32.0Mpa | 連接方式: | 法蘭 |
適用溫度: | ≤550ºC | 驅動方式: | 手動、電動、氣動 |
閥體材質: | 鑄鋼、碳鋼、鍛鋼、不銹鋼 | 制造標準: | 國標GB、德國DIN、美國API、ANSI |
適用介質: | 水、油、蒸汽、天然氣、液體、氣體等 | 生產廠家: | 浙江嵐勝閥門有限公司 |
1、啟閉無摩擦。這一功能完全解決了傳統閥門因密封面之間相互摩擦而影響密封的問題
2、上裝式結構。對裝在管道上的閥門可直接在線檢查與維修。能有效減少裝置停車,降低生產成本
3、單閥座設計。消除了閥門中腔介質因異常升壓而影響使用安全的問題
4、低扭矩設計。特殊結構設計的閥桿,只需配一個小手輪閥門就能輕松啟閉
5、楔形密封結構。閥門是靠閥桿提供的機械力,將球楔壓到閥座上而密封。使閥門的密封性能不受管線壓差變化的影響,在各種工況下密封性能都有可靠保證
6、密封面的自清結構。當球體傾離閥座時,管線中的流體會沿球體密封面成360°均勻通過。不僅消除了高速流體對閥座局部的沖刷,也沖走了密封面上的聚積物,達到自清潔的目的。
7、精密軌道設計:閥桿上的螺旋曲線槽與導向銷相互作用,精確控制球體的旋轉和密封。
8、頂裝式閥蓋:便于快速訪問閥門內部,簡化維護流程。
9、防火安全設計:符合API 6FA和API 607標準,確保在火災情況下的密封性能。
10、防靜電設計:閥桿與球體之間的導電連接,避免靜電積聚。
設計依據 | GB | API |
結構長度 | JB/T 7745 | ANSI B16.10 |
連接法蘭 | GB/T 9113 | ANSI B16.5 |
對焊端 | GB/T 12224 | MSS SP44 |
試驗和檢驗 | JB/T 9092 | API 598 |
壓力等級 | 試驗壓力 | 適用環境 | |
殼體試驗 | 密封試驗 | ||
1.6 | 2.4 | 1.76 | 易燃、易爆、易揮發、易聚合及劇毒場合 |
2.5 | 3.75 | 2.75 | |
4.0 | 6.0 | 4.4 | |
6.4 | 9.6 | 7.04 | |
class 150 | 2.94 | 2.2 | |
class 300 | 7.5 | 5.5 | |
class 600 | 15.0 | 11.0 | |
適用溫度 | -196℃~≤550℃ | ||
適用介質 | 水、油、天然氣用各種軟性介質與懸浮液 | ||
驅動方式 | 手動、氣動、電動 | ||
型號 | GQ47H-16C | GQ47H-25C | |
工作壓力(MPa) | 1.6 | 2.5 | |
工作溫度(℃) | -190~550 | ||
適用介質 | 水、蒸汽、油品 | ||
材料 | 閥體、閥蓋 | WCB | |
閥桿 | 2Cr13 | ||
球體 | WCB+HCr/STL | ||
閥座 | 25 | ||
填料 | 柔性石墨 | ||

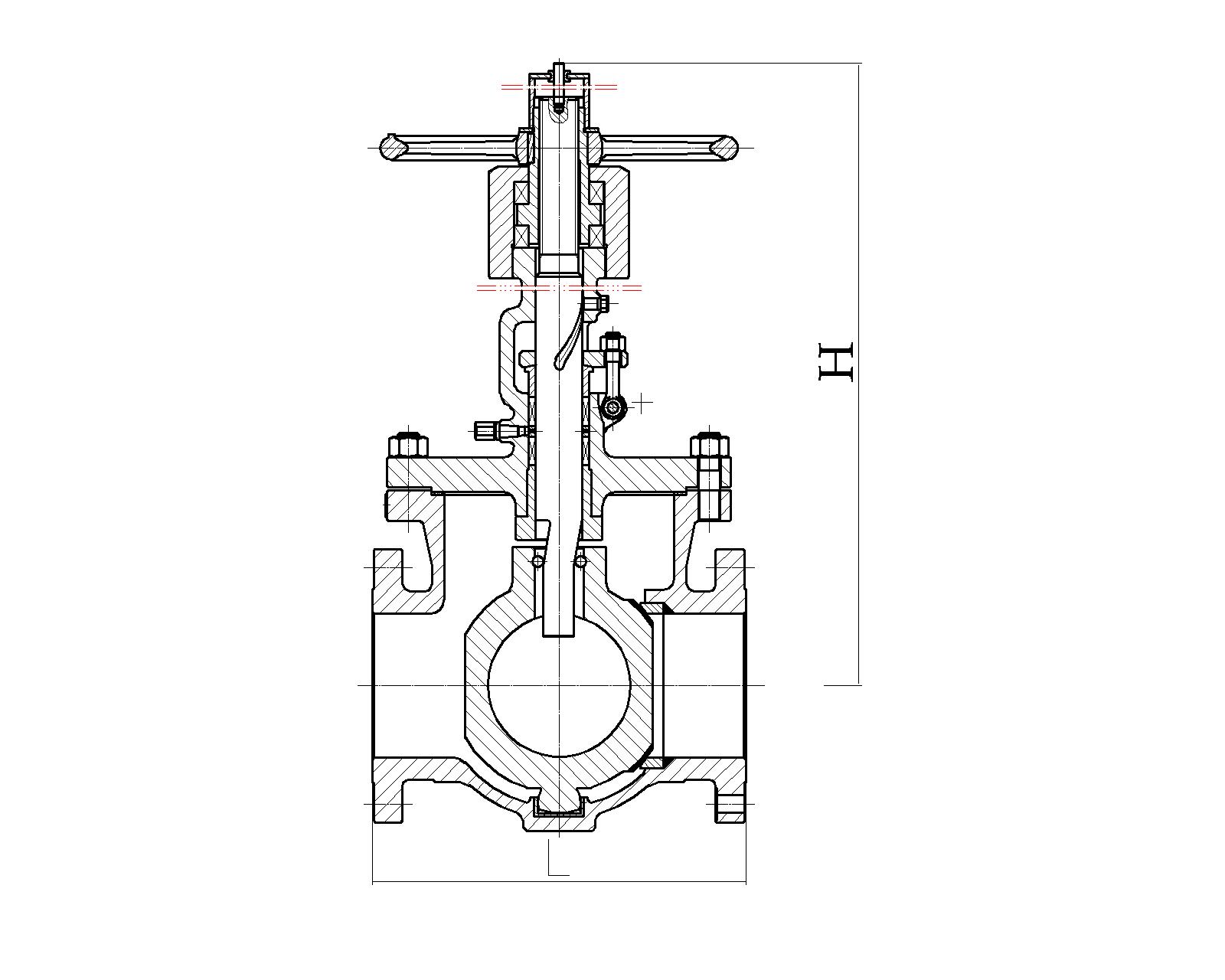
壓力級 | 主要尺寸 | 公稱通徑 | |||||||||||||||
25 | 32 | 40 | 50 | 65 | 80 | 100 | 125 | 150 | 200 | 250 | 300 | 350 | 400 | 450 | 500 | ||
PN1.6MPa | L | 160 | 180 | 200 | 230 | 290 | 310 | 350 | 400 | 480 | 600 | 730 | 850 | 980 | 1100 | 1200 | 1250 |
H | 240 | 260 | 307 | 360 | 410 | 483 | 512 | 543 | 581 | 617 | 672 | 723 | 758 | 791 | 828 | 870 | |
Kg | 9.6 | 16 | 19 | 28 | 30 | 41 | 55 | 78 | 115 | 215 | 270 | 385 | 502 | 876 | 980 | 1240 | |
PN2.5MPa | L | 160 | 180 | 200 | 230 | 290 | 310 | 350 | 400 | 480 | 600 | 730 | 850 | 980 | 1100 | 1200 | 1250 |
H | 260 | 280 | 320 | 360 | 430 | 490 | 525 | 567 | 604 | 642 | 695 | 742 | 781 | 815 | 864 | 905 | |
Kg | 9.5 | 16 | 19 | 28 | 30 | 45 | 59 | 82 | 121 | 230 | 289 | 402 | 540 | 913 | 1120 | 1280 | |
PN4.0MPa | L | 160 | 180 | 200 | 230 | 290 | 310 | 350 | 400 | 480 | 600 | 730 | 850 | 980 | 1100 | 1200 | 1250 |
H | 260 | 280 | 320 | 360 | 436 | 492 | 527 | 607 | 649 | 701 | 750 | 750 | 790 | 832 | 875 | 910 | |
Kg | 10 | 17 | 20 | 25 | 32 | 45 | 59 | 82 | 115 | 230 | 295 | 402 | 540 | 913 | 1124 | 1348 | |
PN6.4MPa | L | 160 | 180 | 200 | 230 | 290 | 310 | 350 | 400 | 480 | 600 | 730 | 850 | 980 | 1100 | 1200 | 1250 |
H | 280 | 320 | 329 | 365 | 450 | 509 | 541 | 663 | 725 | 781 | 790 | 806 | 821 | 858 | - | - | |
Kg | 10 | 17 | 20 | 25 | 32 | 52 | 68 | 106 | 168 | 281 | 355 | 498 | 689 | 1134 | - | - | |
150Lb | L | 127 | 140 | 165 | 178 | 190 | 203 | 229 | 356 | 394 | 457 | 533 | 610 | 686 | 762 | 864 | 914 |
300Lb | L | 165 | 178 | 190 | 216 | 241 | 283 | 305 | 381 | 403 | 502 | 568 | 648 | 762 | 838 | 914 | 991 |
600Lb | L | 216 | 229 | 241 | 292 | 330 | 356 | 432 | 508 | 559 | 660 | 787 | 838 | 889 | 991 | 1092 | 1194 |