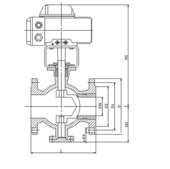
V型調節球閥是一種芯閥座采用金屬,或金屬對聚四氟乙烯密封配合的旋轉球閥,它將球閥和蝶閥的控制特性結合成一體,既可用作控制調節閥,又可作關斷切斷閥。球芯上的V形切口與金屬閥座之間具有剪切作用,特別適用于控制高粘度,含纖維、固體顆粒及漿料等介質。結構制造紙工業的紙漿顯得尤為優越。閥門的流通能力大、壓力損失小、且介質不會沉積在閥體中腔,閥門不僅具有近似等有分比的流量特性、可調范圍大,最大可調比為100:1,還具有精確調節與可靠定位的功能。
產品名稱: | V型調節球閥 | 產品型號: | VQ40F/H、VQ340F/H |
公稱通徑: | DN50~DN300 | 結構形式: | 固定式 |
公稱壓力: | 1.6Mpa~6.4Mpa~16.0Mpa~42.0Mpa | 連接方式: | 法蘭 |
適用溫度: | ≤550ºC | 驅動方式: | 手動、蝸輪、電動 |
閥體材質: | 鑄鋼、碳鋼、鍛鋼、不銹鋼 | 制造標準: | GB/T12237-2008 |
適用介質: | 水、油、氣體、液體 | 生產廠家: | 浙江嵐勝閥門有限公司 |
V型調節球閥是球閥的一種,它的關閉件是半球體上開有V字型開口,V型開口具有鋒利的刃口,在球體回轉過程中,關閉件之間有擦拭作用,對介質具有強有力的切斷力,球體的V型開口與閥座流道形成一個扇形區域,在回轉過程中可改變流道截面積,形成對介質的精確調節,它是一種角回轉的調節閥,其密封性能與普通球閥相同,使它同時具備調節和開關兩種功能,與氣動或電動執行器配套,廣泛使用于工業過程自控系統中。
1、閥體整體式結構:對夾式和法蘭式V型球閥閥體都是整體側裝式結構,結構剛性強,不容易引起變形和外泄。
2、上下自潤滑軸承:閥體內裝有上下自潤滑軸承,與閥桿接觸面積大,承載能力高,磨擦系數小,使閥門的扭矩減少。
3、閥座可根據介質和工況的需要,選金屬硬密封或PTFE軟密封:金屬硬密封閥座密封表面堆焊硬質合金,球 面鍍硬鉻或噴焊、離子氮化等硬化處理,使密封面使用壽命增強,耐溫提高;軟密封PTFE閥座或增強PTFE閥座密封性好 耐腐蝕,適應范圍廣。
4、經濟實用性:閥體重量輕,閥桿扭矩小,配用氣動或電動執行器相應規格小,與其它類型的調節閥相比,性價比高。
5,介質適應范圍廣:由于V型開口與閥座之間的剪切作用力,及閥內腔流道的光滑圓整,使介質不易積存于內腔,所以 它除適合液體介質外,更適合于帶纖維及固體顆料介質的系統控制。
6、小流量精確控制:通過對小口徑閥芯特殊V型開口的加工,可實現小Cv值精確控制。
1、法蘭標準:GB/T9113.1-2010、JB/T79.1-1994、HG20592-2009、 ASMEB16.5、N1092-1: 2001
2、壓力一溫度額定值:GB/T12224-2007、ASME816.34-2003、IS07005-1
3、結構長度標準: 對夾式:企業標準 法蘭式:ISAS75.04-1995,IEC/DIN534-3-2
4、密封與強度試驗標準
強度及密封試驗標準:GB/T4213-2007
硬密封等級:用戶無特殊要求時按下表標準,用戶要求時可以按GB/T4213-2007V級標準執行。 強度試驗壓力是按公稱壓力的15倍,填料及法蘭處密封試驗是按公稱壓力的11倍壓力進行,閥座密封是按最大使用壓差 來進行試驗,當最大使用壓差不明確時按1.0MPa(水壓)試驗,當最大壓差小于0.6MPa時按0.6MPa壓力進行試驗,介質是 帶有緩蝕阻垢劑的水進行試驗。
零件名稱 | 材質 | |
閥體、閥蓋 | WCB | CF8 |
密封圈 | 2Cr13+氮化 | 304+氮化 |
球體 | 2Cr13+硬格 | 304+硬格 |
閥座、閥桿 | 2Cr13 | 304 |
墊片 | 柔性石墨+不銹鋼 | 柔性石墨+不銹鋼 |
雙頭螺柱 | 35CrMoA | 1Cr18Ni9Ti |
產品性能規范
公稱壓力 | 試驗壓力(MPa) | 適用介質 | 適用溫度 | |
殼體試驗 | 密封試驗 | |||
1.6 | 2.4 | 1.76 | 水、油、氣及高粘度,含纖維、固體顆粒等介質 | -28℃~≤550℃ |
2.5 | 3.75 | 2.75 | ||
4.0 | 6.0 | 4.4 | ||
應用規范 | 連接法蘭 | JB79-59 GB9113 HG20592-97 ANSI B16.5 | ||
檢驗試驗 | JB/T9092-99 API 598 | |||

公稱或壓力級 | 公稱口徑 | 尺寸(mm) | ||||||||
(mm) | (in) | W | L | W1 | L1 | B | D | H1 | H | |
PN1.6MPa | 25 | - | 50 | - | 25 | - | 64 | 38 | 57 | 200 |
40 | - | 60 | - | 25 | - | 82 | 49 | 63 | 205 | |
50 | - | 75 | 124 | 32 | 62 | 100 | 60 | 92 | 225 | |
65 | - | 80 | 145 | 38 | 72.5 | 120 | 75 | 100 | 235 | |
80 | - | 100 | 165 | 45 | 82.5 | 131 | 89 | 108 | 260 | |
100 | - | 115 | 194 | 50 | 97 | 158 | 113 | 117 | 270 | |
125 | - | 135 | 210 | 55 | 105 | 180 | 140 | 140 | 320 | |
150 | - | 160 | 229 | 65 | 114.5 | 216 | 164 | 177 | 340 | |
200 | - | 200 | 243 | 80 | 121.5 | 268 | 205 | 200 | 390 | |
250 | - | 240 | 297 | 90 | 148.5 | 326 | 259 | 252 | 420 | |
300 | - | - | 338 | - | 169 | - | 300 | 270 | 510 | |
PN2.5MPa | 25 | - | 50 | - | 25 | - | 64 | 38 | 57 | 200 |
40 | - | 60 | - | 25 | - | 82 | 49 | 63 | 205 | |
50 | - | 75 | 124 | 32 | 62 | 100 | 60 | 92 | 225 | |
65 | - | 85 | 145 | 38 | 72.5 | 120 | 75 | 100 | 235 | |
80 | - | 100 | 165 | 45 | 82.5 | 131 | 89 | 108 | 260 | |
100 | - | 115 | 194 | 50 | 97 | 158 | 113 | 117 | 270 | |
125 | - | 135 | 210 | 55 | 105 | 180 | 140 | 140 | 320 | |
150 | - | 160 | 229 | 65 | 114.5 | 216 | 164 | 177 | 340 | |
200 | - | 200 | 243 | 80 | 121.5 | 268 | 205 | 200 | 390 | |
250 | - | 240 | 297 | 92 | 148.5 | 326 | 259 | 252 | 420 | |
300 | - | - | 338 | - | 169 | - | 300 | 270 | 510 | |
ClASS150 | 25 | - | 50 | - | 25 | - | 64 | 38 | 57 | 200 |
40 | 11/2 | 65 | - | 25 | - | 82 | 49 | 63 | 205 | |
50 | 2 | 75 | 124 | 32 | 62 | 100 | 60 | 92 | 225 | |
65 | 21/2 | 85 | 145 | 38 | 72.5 | 120 | 75 | 100 | 235 | |
80 | 3 | 100 | 165 | 45 | 82.5 | 131 | 89 | 108 | 260 | |
100 | 4 | 115 | 194 | 50 | 97 | 158 | 113 | 117 | 270 | |
125 | 5 | 135 | 210 | 55 | 105 | 180 | 140 | 140 | 320 | |
150 | 6 | 160 | 229 | 65 | 114.5 | 216 | 164 | 177 | 340 | |
200 | 8 | 200 | 243 | 80 | 121.5 | 268 | 205 | 200 | 390 | |
250 | 10 | 240 | 297 | 92 | 148.5 | 326 | 259 | 252 | 420 | |
300 | 12 | - | 338 | - | 169 | - | ||||