H64Y、H64H電站止回閥支管兩端為焊結結構,焊結坡口可按標準或用戶要求制作,適用于火電廠、石油化工、冶金等高溫高壓的水、蒸氣、油品、過熱蒸汽的管道上作防止介質回流的裝置。一種是遵循ANSIB16.34和JIS E101標準的型號;另一種是Jb3595標準的國標型。其遵循的溫度、壓力等級是一致的,在一些管道中存在著某種互換關系。中部采用無閥蓋壓力自緊式,在高溫高壓工況下具有良好的密封性能。
產品名稱: | 電站止回閥 | 產品型號: | H64Y、H64H |
公稱通徑: | DN10~DN700 | 結構形式: | 旋啟式、升降式 |
公稱壓力: | 16.0MPa~25.0MPa~32.0MPa | 連接方式: | 焊接、法蘭 |
適用溫度: | -29ºC~+550ºC | 驅動方式: | 介質推動 |
閥體材質: | 鑄鋼、鉻鉬釩鋼、不銹鋼 | 標準: | 國標GB、德國DIN、美國API、ANSI |
適用介質: | 水、油、蒸汽 | 生產廠家: | 浙江嵐勝閥門有限公司 |
1.設計制造與驗收按火力發電閥門標準ANSIB16.34 API6D GB12236 E101和JB/T3595、DL/T531標準規定。
2、結構長度按E101、JB/T2766、GB/T15188.1 ANSIB16.10 GB12221標準規定或按用戶要求。
3、壓力-溫度等級按E101、JB/T3595 API598 GB9131 標準規定。
4、焊接坡口尺寸按GB12224、JB/T3595、ASME B16.25 ANSIB16.25標準規定或按用戶配管尺寸要求。
公稱壓力PN(MPa) | 試驗壓力Ps(MPa) | 工作壓力 | 工作溫度(度) | 適用介質 | |||
強度 | 密封(液) | P54 | P55 | P57 | |||
10.0 | 15.0 | 11.0 | ≤425 | 水、蒸氣、油品 | |||
16.0 | 24.0 | 17.6 | |||||
20.0 | 30.0 | 22.0 | |||||
25.0 | 37.5 | 27.5 | |||||
32.0 | 48.0 | 36.0 | |||||
P5410 | 30.0 | 22.0 | 10 | ≤540 | 蒸汽 | ||
P5414 | 37.5 | 27.5 | 14 | ||||
P5417 | 48.0 | 36.0 | 17 | ||||
P5510 | 37.5 | 27.5 | 10 | ≤550 | |||
P5514 | 48.0 | 36.0 | 14 | ||||
P5517 | 53.0 | 39.0 | 17 | ||||
P5710 | 48.0 | 36.0 | 10 | ≤570 | |||
P5714 | 55.0 | 40.0 | 14 | ||||
P5717 | 60.0 | 44.0 | 17 | ||||
零件材料 | 材料牌號 | |||
閥體 | WCB | WC1 | WC6 | WC9 |
閥座 | 25 | 15CrMoA | 12Cr1MoVA | |
閥瓣 | WCB | WC1 | WC6 | WC9 |
搖桿 | WCB | WC1 | WC6 | WC9 |
閥蓋 | 25 | 15CrMoA | 12Cr1MoVA | |
密封環 | 1Cr17Ni2 | 20CrMo1VA | ||
密封環 | S軟鋼(增強柔性石墨) | S軟鋼 | F軟鋼 | |

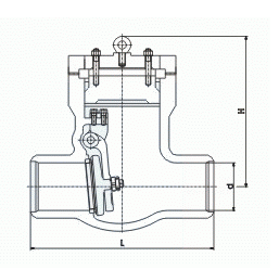
公稱通徑PNS(in.) | 主要外形尺寸和連接尺寸(mm) | ||
d | L | H | |
2 1/2 | 56 | 254 | 282 |
3 | 64 | 325 | 300 |
4 | 84 | 406 | 350 |
5 | 100 | 483 | 425 |
6 | 126 | 559 | 400 |
8 | 158 | 711 | 490 |
10 | 200 | 864 | 540 |
12 | 250 | 991 | 650 |
14 | 280 | 1067 | 710 |
公稱通徑PNS(in.) | 主要外形尺寸和連接尺寸(mm) | ||
d | L | H | |
2 1/2 | 50 | 330 | 240 |
3 | 60 | 368 | 305 |
4 | 80 | 457 | 315 |
5 | 96 | 533 | 409 |
6 | 118 | 610 | 465 |
8 | 147 | 762 | 528 |
10 | 180 | 914 | 613 |
12 | 222 | 1041 | 680 |
14 | 254 | 1118 | 745 |
公稱通徑PNS(in.) | 主要外形尺寸和連接尺寸(mm) | ||
d | L | H | |
3 | 54 | 368 | 297 |
4 | 70 | 457 | 385 |
5 | 86 | 533 | 410 |
6 | 104 | 610 | 455 |
8 | 130 | 762 | 557 |
10 | 162 | 914 | 615 |
12 | 210 | 1041 | 715 |
14 | 234 | 1118 | 790 |
16 | 264 | 1245 | 815 |
18 | 304 | 1397 | 815 |