H74H、H74W、H74X單板旋啟式止回閥是一種超薄型止回閥,采用短型結構尺寸和單閥瓣設計,相比傳統的旋啟式止回閥,該系列閥門具有無外泄露、可任意位置安裝、密封性能好、線性震動小、壓降小和零座圈磨損優勢。
產品名稱: | 單板旋啟式止回閥 | 產品型號: | H74H、H74W、H74X |
公稱通徑: | DN50~DN1000 | 結構形式: | 單瓣旋啟式 |
公稱壓力: | 1.6MPa~4.0MPa | 連接方式: | 對夾式 |
適用溫度: | -29ºC~+425ºC | 驅動方式: | 介質推動 |
閥體材質: | 鑄鋼、不銹鋼 | 標準: | 國標GB、德國DIN、美國API、ANSI |
適用介質: | 水、油、蒸汽、氣體、液體 | 生產廠家: | 浙江嵐勝閥門有限公司 |
單板旋啟式止回閥是一種圓盤型超薄止回閥,閥瓣處附有O型密封圈,密封性能好,且有彈簧輔助關閉,動作靈敏,特別對安裝空間限制的場所最為適用。 具有結構簡單,外形美觀、重量輕、安裝方便等優點。主要適用于給水系統、石油、化工、冶金等工業部門對有安裝空間限制的場所也適用。
1、結構長度很短、體積小、重量輕,為閥門的安裝、搬運、存放用管道的布置帶來很大的便利,并能大量節約材料、降低造價。
2、閥門為整體結構,簡單緊湊、閥門關閉時沖擊力小,水錘壓力小,閥門壽命長,可靠性高。
3、可水平安裝或垂直安裝,重量輕,不必為閥門設置支座。
4、流道通暢、流體阻力小,閥瓣在很小的壓差下就能完全打開。
型號 | 工作壓力(MPa) | 適用溫度(℃) | 適用介質 | 閥體材料 |
H74X-10C/16C/25C | 1.0~2.5 | -29~80 | 水、油品 | 碳鋼/不銹鋼 |
H74H-10C/16C/25C/40C | 1.0~4.0 | -29~425 | 水、蒸汽、油品 | 碳鋼/不銹鋼 |
H74W-10P/16P/25P/40P | 1.0~2.5 | ≤150 | 硝酸類 | 不銹鋼 |
H74Y-40P | 4.0 | ≤150 | 硝酸類 | 不銹鋼 |

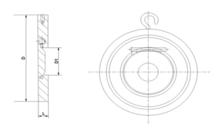
通徑 | L | D1 | D | ||||
PN1.0、1.6MPa | PN2.5、4.0MPa | 1.0MPa | 1.6MPa | 2.5MPa | 4.0MPa | ||
50 | 19 | 19 | 25 | 109 | 109 | 109 | 109 |
65 | 19 | 19 | 38 | 129 | 29 | 129 | 129 |
80 | 19 | 19 | 46 | 144 | 144 | 144 | 144 |
100 | 19 | 19 | 71.5 | 164 | 164 | 170 | 170 |
125 | 19 | 19 | 95 | 194 | 194 | 196 | 196 |
150 | 19 | 29 | 114 | 220 | 220 | 226 | 226 |
200 | 29 | 29 | 140 | 275 | 275 | 286 | 293 |
250 | 29 | 38 | 188 | 330 | 331 | 343 | 355 |
300 | 38 | 51 | 216 | 380 | 386 | 403 | 420 |
350 | 44 | 51 | 263 | 440 | 446 | 460 | 477 |
400 | 51 | 51 | 305 | 491 | 495 | 517 | 549 |
450 | 60 | 76 | 356 | 541 | 558 | 567 | 574 |
500 | 64 | 83 | 406 | 596 | 620 | 622 | 626 |
600 | 70 | 90 | 482 | 698 | 732 | 734 | 745 |
700 | 80 | 90 | 562 | 813 | 804 | 831 | - |
800 | 90 | 100 | 464 | 918 | 912 | 942 | - |
900 | 90 | 100 | 738 | 1018 | 1012 | 1040 | - |
1000 | 100 | 120 | 846 | 1124 | 1126 | 1155 | - |