GID電動高真空蝶閥采用回轉型電動、電子調節式閥門驅動裝置,可以通過外接電源的切換(用手動轉位開關或電腦控制)或外部輸入信號,來實現閥門開、關或中間位置的控制,從而達到接通或切斷真空管路中氣流的目的。用于接通或切斷真空管路中的氣流。閥體的閥板采用夾緊結構,把閥板的密封圈夾緊,起到更好的密封作用。除了能用在真空狀態下,也能用在低壓狀態下使用。
產品名稱: | 電動高真空蝶閥 | 產品型號: | GID |
公稱通徑: | DN40~DN1200 | 閥座密封: | 氟橡膠、丁晴橡膠、金屬座 |
公稱壓力: | 2x105~1.3×10-5Pa | 連接方式: | 對夾式 |
適用溫度: | -30ºC~+150ºC | 驅動方式: | 手動、電動、氣動 |
閥體材質: | 鑄鋼、不銹鋼、316、316L | 制造標準: | 國標GB、德國DIN、美國API、ANSI |
適用介質: | 空氣 | 生產廠家: | 浙江嵐勝閥門有限公司 |
適用范圍(Pa) | 10-5~1.3x10-5Pa |
閥門漏率(Pa.L/S) | ≤1.3x10-6 |
開閉時間(S) | DN≤63 20S;80≤DN≤200 30S; DN≥250 48S |
介質溫度(℃) | -25~+80(密封材料為丁腈橡膠) |
法蘭標準 | JB919 |
安裝位置 | 任意 |
控制電路 | 標準出廠:AC220V/50Hz開關型 |
信號反饋 | 標準出廠:帶無源觸點型 |
閥體、閥蓋、閥桿:碳鋼或不銹鋼
密封件:丁腈橡膠、氟橡膠

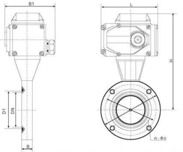
型號 | DN | D | Do | D1 | B | H | B1 | L | n-φc |
GID-40 | 40 | 85 | 70 | 44 | 22 | 162 | 90 | 104 | 4-φ7 |
GID-50 | 50 | 110 | 90 | 55 | 22 | 175 | 90 | 104 | 4-φ7 |
GID-65 | 65 | 125 | 105 | 70 | 26 | 198 | 102 | 140 | 4-φ9 |
GID-80 | 80 | 145 | 125 | 85 | 30 | 208 | 102 | 140 | 4-φ9 |
GID-100 | 100 | 170 | 145 | 105 | 30 | 220 | 102 | 140 | 4-φ12 |
GID-150 | 150 | 220 | 195 | 156 | 35 | 272 | 115 | 164 | 8-φ12 |
GID-200 | 200 | 275 | 250 | 208 | 40 | 330 | 205 | 190 | 8-φ12 |
GID-250 | 250 | 330 | 300 | 258 | 45 | 335 | 205 | 190 | 8-φ14 |
GID-300 | 300 | 380 | 350 | 308 | 55 | 426 | 152 | 247 | 8-φ14 |
GID-400 | 400 | 500 | 465 | 410 | 60 | 520 | 180 | 308 | 8-φ18 |
GID-500 | 500 | 600 | 565 | 510 | 80 | 643 | 220 | 378 | 12-φ18 |
GID-600 | 600 | 710 | 670 | 610 | 100 | 760 | 270 | 524 | 12-φ21 |
GID-800 | 800 | 920 | 815 | 815 | 130 | 962 | 320 | 648 | 20-φ21 |
GID-1200 | 1200 | 1440 | 1280 | 1280 | 150 | 1360 | 385 | 1480 | 36-φ19 |