GIQ氣動高真空蝶閥以壓縮空氣為動力,通過電磁換向閥改變氣路方向,推動活塞齒條、齒輪的機械運動,以角行程輸出扭矩來驅動蝶閥,作啟閉運動,從而達到接通或切斷真空管路中氣流的目的。是目前一種氣動執行器控制的氣動真空蝶閥,分為雙作用和單作用(彈簧復位)氣缸。可選配反饋信號裝置及電氣閥門定位器。用于接通或切斷真空管路中的氣流。閥體的閥板采用夾緊結構,把閥板的密封圈夾緊,起到更好的密封作用。除了能用在真空狀態下,也能用在低壓狀態下使用。
產品名稱: | 氣動高真空蝶閥 | 產品型號: | GIQ |
公稱通徑: | DN40~DN1200 | 閥座密封: | 氟橡膠、丁晴橡膠、金屬座 |
公稱壓力: | 2x105~1.3×10-5Pa | 連接方式: | 對夾式 |
適用溫度: | -30ºC~+150ºC | 驅動方式: | 手動、電動、氣動 |
閥體材質: | 鑄鋼、不銹鋼、316、316L | 制造標準: | 國標GB、德國DIN、美國API、ANSI |
適用介質: | 空氣 | 生產廠家: | 浙江嵐勝閥門有限公司 |
適用范圍(Pa) | 2x105~1.3x10-5 |
閥門漏率(Pa.L/S) | ≤1.3x10-6 |
介質溫度(℃) | -25~+80(密封材料為丁腈橡膠) |
氣源壓力(MPa) | 0.4~0.6 |
法蘭標準 | GB/T6070 |
安裝位置 | 任意 |
電源電壓 | 標準出廠:AC220V/50Hz |
信號反饋 | 標準出廠:閥位指示器 |
氣缸可選 | 標準出廠:雙作用式 |
閥體、閥蓋、閥桿:碳鋼或不銹鋼
密封件:丁腈橡膠、氟橡膠

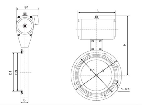
型號 | DN | D | Do | D1 | B | H | B1 | L | n-φc |
GIQ-40 | 40 | 85 | 70 | 44 | 22 | 162 | 90 | 104 | 4-φ7 |
GIQ-50 | 50 | 110 | 90 | 55 | 22 | 175 | 90 | 104 | 4-φ7 |
GIQ-65 | 65 | 125 | 105 | 70 | 26 | 198 | 102 | 140 | 4-φ9 |
GIQ-80 | 80 | 145 | 125 | 85 | 30 | 208 | 102 | 140 | 4-φ9 |
GIQ-100 | 100 | 170 | 145 | 105 | 30 | 220 | 102 | 140 | 4-φ12 |
GIQ-150 | 150 | 220 | 195 | 156 | 35 | 272 | 115 | 164 | 8-φ12 |
GIQ-200 | 200 | 275 | 250 | 208 | 40 | 330 | 205 | 190 | 8-φ12 |
GIQ-250 | 250 | 330 | 300 | 258 | 45 | 335 | 205 | 190 | 8-φ14 |
GIQ-300 | 300 | 380 | 350 | 308 | 55 | 426 | 152 | 247 | 8-φ14 |
GIQ-400 | 400 | 500 | 465 | 410 | 60 | 520 | 180 | 308 | 8-φ18 |
GIQ-500 | 500 | 600 | 565 | 510 | 80 | 643 | 220 | 378 | 12-φ18 |
GIQ-600 | 600 | 710 | 670 | 610 | 100 | 760 | 270 | 524 | 12-φ21 |
GIQ-800 | 800 | 920 | 815 | 815 | 130 | 962 | 320 | 648 | 20-φ21 |
GIQ-1200 | 1200 | 1440 | 1280 | 1280 | 150 | 1360 | 385 | 1480 | 36-φ19 |