H41H、H41W鑄鋼升降式止回閥廣泛適用于公稱壓力PN1.6~10.0MPa,工作溫度-29~550℃的石油、化工、火力電站等各種工況的管路上,適用介質為:水、油品、蒸汽等。其主要作用是防止介質倒流、防止泵及其驅動電機機反轉,以及容器內介質的泄放。
產品名稱: | 鑄鋼升降式止回閥 | 產品型號: | H41H、H41W |
公稱通徑: | DN15~DN300 | 結構形式: | 升降式 |
公稱壓力: | 1.6MPa~10.0MPa | 連接方式: | 焊接、法蘭 |
適用溫度: | -29ºC~+550ºC | 驅動方式: | 介質推動 |
閥體材質: | 鑄鋼、不銹鋼 | 標準: | 國標GB、德國DIN、美國API、ANSI |
適用介質: | 水、油、蒸汽 | 生產廠家: | 浙江嵐勝閥門有限公司 |
1、產品結構緊湊合理、密封可靠、性能優良。
2、體積小、重量輕。
3、適用范圍廣。
4、閥瓣關閉快速、動作靈敏。
5、關閉沖擊力小、不易產生水錘現象。
6、流道通暢、流體阻力小。
零件名稱 | 材料牌名 | |||
閥體 | WCB | ZGCr5Mo | ZG1Cr18Ni9Ti | ZG1Cr18Ni12Mo2Ti |
閥蓋 | WCB | ZGCr5Mo | ZG1Cr18Ni9Ti | ZG1Cr18Ni12Mo2Ti |
閥瓣 | WCB | ZGCr5Mo | ZG1Cr18Ni9Ti | ZG1Cr18Ni12Mo2Ti |
墊片 | 石墨纏繞墊片 | 石墨纏繞墊片 | 聚四氟乙稀纏繞墊片 | 聚四氟乙稀纏繞墊片 |
公稱壓力 | 殼體材料 | 試驗壓力(Mpa) | ||||
PN(MPa) | WCB | ZGCr5Mo(C5) | ZG1Cr18Ni9Ti | ZG1Cr18Ni12Mo2Ti | 強度試驗 | 液體密封 |
1.6 | H41H-16C | H41Y-16I | H41W-16P | H41W-16R | 2.4 | 1.8 |
2.5 | H41H-25 | H41Y-25I | H41W-25P | H41W-25R | 3.8 | 2.8 |
4.0 | H41H-40 | H41Y-40I | H41W-40P | H41W-40R | 6.0 | 4.4 |
6.4 | H41H-64 | H41Y-64I | H41W-64P | H41W-64R | 9.6 | 7.1 |
10.0 | H41H-100 | H41Y-100I | H41W-100P | H41W-100R | 15.0 | 11.0 |
適用溫度 | -29-425℃ | ≤550℃ | -40-200℃ | -40-200℃ | 超出溫度范圍,請訂貨時注明 | |
適用介質 | 水蒸氣、油品等 | 硝酸等 | 醋酸等 | |||

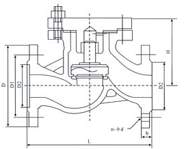
型號 | 公稱通徑 | 尺寸(mm) | |||||||
DN(mm) | L | D | D1 | D2 | D6 | b | Z-φd | H | |
H41H-16C | 15 | 130 | 95 | 65 | 45 | 14 | 4-14 | 77 | |
20 | 150 | 105 | 75 | 55 | 14 | 4-14 | 80 | ||
25 | 160 | 115 | 85 | 65 | 14 | 4-14 | 85 | ||
32 | 180 | 135 | 100 | 75 | 16 | 4-18 | 95 | ||
40 | 200 | 145 | 110 | 85 | 16 | 4-18 | 105 | ||
50 | 230 | 160 | 125 | 100 | 16 | 4-18 | 120 | ||
65 | 290 | 180 | 145 | 120 | 18 | 8-18 | 130 | ||
80 | 310 | 195 | 160 | 135 | 20 | 8-18 | 140 | ||
100 | 350 | 215 | 180 | 155 | 20 | 8-18 | 155 | ||
125 | 400 | 245 | 210 | 185 | 22 | 8-18 | 180 | ||
150 | 480 | 280 | 240 | 210 | 24 | 8-23 | 215 | ||
200 | 600 | 335 | 295 | 265 | 26 | 12-23 | 260 | ||
250 | 730 | 405 | 355 | 320 | 30 | 12-25 | 315 | ||
H41H-25 | 15 | 130 | 95 | 65 | 45 | 16 | 4-14 | 100 | |
20 | 150 | 105 | 75 | 55 | 16 | 4-14 | 105 | ||
25 | 160 | 115 | 85 | 65 | 16 | 4-14 | 120 | ||
32 | 180 | 135 | 100 | 78 | 18 | 4-18 | 130 | ||
40 | 200 | 145 | 110 | 85 | 18 | 4-18 | 135 | ||
50 | 230 | 160 | 125 | 100 | 20 | 4-18 | 149 | ||
65 | 290 | 180 | 145 | 120 | 22 | 8-18 | 160 | ||
80 | 310 | 195 | 160 | 135 | 22 | 8-18 | 170 | ||
100 | 350 | 230 | 190 | 160 | 24 | 8-23 | 194 | ||
125 | 400 | 270 | 220 | 188 | 28 | 8-25 | 222 | ||
150 | 480 | 300 | 250 | 218 | 30 | 8-25 | 255 | ||
200 | 600 | 360 | 310 | 278 | 34 | 12-25 | 312 | ||
H41H-40 | 15 | 130 | 95 | 65 | 45 | 40 | 16 | 4-14 | 80 |
20 | 150 | 105 | 75 | 55 | 51 | 16 | 4-14 | 100 | |
25 | 160 | 115 | 85 | 65 | 58 | 16 | 4-14 | 110 | |
32 | 180 | 135 | 100 | 78 | 66 | 18 | 4-18 | 120 | |
40 | 200 | 145 | 110 | 85 | 76 | 18 | 4-18 | 140 | |
50 | 230 | 160 | 125 | 100 | 88 | 20 | 4-18 | 145 | |
65 | 290 | 180 | 145 | 120 | 110 | 22 | 8-18 | 160 | |
80 | 310 | 195 | 160 | 135 | 121 | 22 | 8-18 | 170 | |
100 | 350 | 230 | 190 | 160 | 150 | 24 | 8-23 | 195 | |
125 | 400 | 270 | 220 | 188 | 176 | 28 | 8-25 | 225 | |
150 | 480 | 300 | 250 | 218 | 204 | 30 | 8-23 | 255 | |
200 | 600 | 375 | 320 | 282 | 260 | 38 | 12-30 | 318 | |
H41H-64 | 15 | 170 | 105 | 75 | 55 | 40 | 20 | 4-14 | 75 |
20 | 190 | 125 | 90 | 68 | 51 | 22 | 4-18 | 110 | |
25 | 210 | 135 | 100 | 78 | 58 | 24 | 4-18 | 125 | |
32 | 230 | 150 | 110 | 82 | 66 | 24 | 4-23 | 152 | |
40 | 260 | 165 | 125 | 95 | 76 | 24 | 4-23 | 168 | |
50 | 300 | 175 | 135 | 105 | 88 | 26 | 4-23 | 170 | |
65 | 340 | 200 | 160 | 130 | 110 | 28 | 8-23 | 188 | |
80 | 380 | 210 | 170 | 140 | 121 | 30 | 8-23 | 205 | |
100 | 430 | 250 | 200 | 168 | 150 | 32 | 8-25 | 230 | |
H41H-100 | 15 | 170 | 105 | 75 | 55 | 40 | 20 | 4-14 | 100 |
20 | 190 | 125 | 90 | 68 | 51 | 22 | 4-18 | 110 | |
25 | 210 | 135 | 100 | 78 | 58 | 24 | 4-18 | 125 | |
32 | 230 | 150 | 110 | 82 | 66 | 24 | 4-23 | 140 | |
40 | 260 | 165 | 125 | 95 | 76 | 26 | 4-23 | 170 | |
50 | 300 | 195 | 145 | 112 | 88 | 38 | 8-25 | 185 | |
65 | 340 | 220 | 170 | 138 | 110 | 32 | 8-25 | 200 | |
80 | 380 | 230 | 180 | 148 | 121 | 34 | 8-25 | 235 | |