H41Y、H41H鍛鋼升降式止回閥密封面采用鐵基合金或司太立(Stellite)鈷基硬質合金堆焊面成耐磨、耐高溫、耐腐蝕、抗擦傷性能好使用壽命長等特點。不銹鋼銷軸與閥瓣連接采用內裝式結構-性能優良-密封更可靠。產品廣泛應用于石油、化工、制藥、電力行業等各種工況的管路上防介質倒流作用。適用介質為水、油品、蒸汽、氣體及某些腐蝕性液體介質等。
產品名稱: | 鍛鋼升降式止回閥 | 產品型號: | H41Y、H41H |
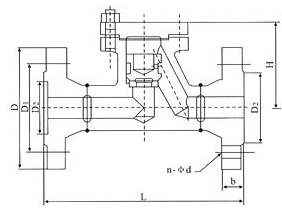
公稱通徑: | DN15~DN50 | 結構形式: | 升降式 |
公稱壓力: | 1.6MPa~42.0MPa 150LB-2500LB | 連接方式: | 承插焊、外螺紋、法蘭 |
適用溫度: | -29ºC~+550ºC | 驅動方式: | 介質推動 |
閥體材質: | 鍛鋼A105、A182、F22、304、316、316L | 制造標準: | 國標GB、德國DIN、美國API、ANSI |
適用介質: | 水、油、氣體、液體 | 生產廠家: | 浙江嵐勝閥門有限公司 |
1、螺栓式閥蓋,按這種設計形式設計的閥門,其閥體與閥蓋用螺栓螺母連接,纏繞式墊片(316夾柔性石墨制造)密封.客戶有特殊要求時也可采用金屬環連接。
2、焊接式閥蓋,按這種設計形式的閥門,其閥體與閥蓋用螺紋連接,全焊密封.客戶有特殊要求時也可采用透焊連接。
3、壓力自緊式閥蓋,按這種設計形式設計的閥門,其閥體與閥蓋用螺紋連接,內壓自密環密封。
符合API602,MSS-SP-118(可采用標準)和ANSI B16.34、B35352。檢驗與測試按API598,標志按MSS-SP-25
采用以下結構
全徑或縮徑
結構長度按ANSI B16.5 F16.5
法蘭自緊式閥蓋
明桿支架型
自定心壓板壓套式
整體上密封座
整體閥體法蘭
對焊接端符合ASME B16.25
RTJ閥體閥蓋連接形式
螺栓連接、纏繞墊片密封式閥蓋,螺式連接,全焊密封式閥蓋以及螺紋連接內壓自緊密封閥蓋。
序號 | 零件名稱 | CS to ASTM | AS to ASTM | SS to ASTM | |
TypeA105 | Type F22 | Type F304(L) | TypeF316(L) | ||
1 | 閥體 | A105 | A182 F22 | A182 F304(L) | A182 F316(L) |
2 | 銘牌 | SS | |||
3 | 閥瓣 | A276 420 | A276 304 | A276 304(L) | A276 316(L) |
4 | 閥蓋 | A105 | A182F22 | A182 F304(L) | A182 F316(L) |
5 | 墊片 | 316夾柔性石墨 | 316夾PTFE SS+PTFE | ||
6 | 螺栓 | A193 B7 | A193 B16 | A193 B8 | A193 B8fMl |
適用介質 | 水、蒸氣、油品等 | 水、蒸氣、油品等 | 硝酸、醋酸等 | ||
適用溫度 | -29℃~425℃ | -29℃~550℃ | -29℃~180℃ | ||

NPS | 1/2" | 3/4" | 1" | 11/4" | 11/2" | 2" | ||
L(RF) | 150Lb | 108 | 117 | 127 | 140 | 165 | 203 | |
300Lb | 152 | 178 | 203 | 216 | 229 | 267 | ||
600Lb | 165 | 190 | 216 | 229 | 241 | 292 | ||
H | 150Lb ~ 300Lb | 61 | 61 | 79 | 95 | 103 | 118 | |
600Lb | 61 | 79 | 95 | 103 | 118 | 135 | ||
重量 | 150Lb | RF | 2.56 | 3.37 | 4.37 | 8.17 | 8.94 | 12.64 |
BW | 1.70 | 190 | 2.10 | 5.12 | 5.50 | 1.89 | ||
300Lb | RF | 2.73 | 3.65 | 4.74 | 8.77 | 9.60 | 13.70 | |
BW | 1.90 | 2.10 | 3.00 | 5.12 | 6.60 | 7.85 | ||
600Lb | RF | 3.00 | 4.00 | 5.83 | 9.47 | 10.10 | 15.6 | |
BW | 2.00 | 3.12 | 4.25 | 7.25 | 8.56 | 13.60 | ||

NPS | 1/2 | 3/4 | 1 | 11/4 | 11/2 | 2 | |
(PRJ) L | 900Lb-1500Lb | 216 | 229 | 254 | 279 | 305 | 368 |
2500Lb | 264 | 273 | 308 | 349 | 384 | 451 | |
H | 900Lb-1500Lb | 117 | 117 | 117 | 152 | 152 | 195 |
2500Lb | 117 | 117 | 117 | 152 | 152 | 195 | |
重量 | 900Lb-1500Lb | 10.5 | 11.9 | 13.9 | 19.9 | 26.9 | 32.5 |
2500Lb | 12.6 | 14.9 | 16.5 | 24.8 | 30.0 | 35.0 | |