H42H、H42W碳鋼立式止回閥本系列閥門正常處于關閉狀態,由于管線中進口端介質的壓力作用,而克服彈簧阻力使閥門開啟。當進口端介質壓力低于出口端時,彈簧將閥芯推向閥座而使閥門關閉,阻止介質逆流,故起止回作用。由于采用彈簧支撐閥芯,故采用立式安裝或臥式裝均可。
產品名稱: | 碳鋼立式止回閥 | 產品型號: | H42H、H42W |
公稱通徑: | DN15~DN300 | 結構形式: | 立式 |
公稱壓力: | 1.6MPa~4.0MPa | 連接方式: | 法蘭 |
適用溫度: | -29ºC~+425ºC | 驅動方式: | 介質推動 |
閥體材質: | 鑄鐵、鑄鋼、不銹鋼 | 標準: | 國標GB、德國DIN、美國API、ANSI |
適用介質: | 水、油、蒸汽、氣體、液體 | 生產廠家: | 浙江嵐勝閥門有限公司 |
設計與制造 | GB/T12235 | |
連接端尺寸 | 結構長度 | GB/T12221 |
法蘭尺寸 | JB/T79 | |
檢驗與試驗 | JB/T9092 | |
材料 | 碳鋼 | GB/T12229 |
不銹鋼 | GB/T12230 | |
合金鋼 | Q/ZB66 | |
標志 | GB/T12220 | |
供貨 | JB/T7928 | |

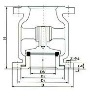
型號 | 公稱通徑 DN | 尺寸(mm) | ||||||
L | D | D1 | D2 | H | b | Z-Φd | ||
H42W-16P | 15 | 130 | 95 | 65 | 45 | 77 | 14 | 4-14 |
20 | 150 | 105 | 75 | 55 | 77 | 14 | 4-14 | |
25 | 160 | 115 | 85 | 65 | 80 | 16 | 4-14 | |
32 | 180 | 135 | 100 | 78 | 85 | 16 | 4-18 | |
40 | 200 | 145 | 110 | 85 | 95 | 16 | 4-18 | |
50 | 230 | 160 | 125 | 100 | 105 | 16 | 4-18 | |
65 | 290 | 180 | 145 | 120 | 120 | 18 | 4-18 | |
80 | 310 | 195 | 160 | 135 | 130 | 20 | 8-18 | |
100 | 350 | 215 | 180 | 155 | 140 | 20 | 8-18 | |
125 | 400 | 245 | 210 | 185 | 155 | 22 | 8-18 | |
150 | 480 | 280 | 240 | 210 | 180 | 24 | 8-23 | |
200 | 600 | 335 | 295 | 265 | 215 | 26 | 12-23 | |
H42W-25P | 15 | 130 | 95 | 65 | 45 | 77 | 16 | 4-14 |
20 | 150 | 105 | 75 | 55 | 80 | 16 | 4-14 | |
25 | 160 | 115 | 85 | 65 | 85 | 16 | 4-14 | |
32 | 180 | 135 | 100 | 78 | 95 | 18 | 8-18 | |
40 | 200 | 145 | 110 | 85 | 105 | 18 | 8-18 | |
50 | 230 | 160 | 125 | 100 | 120 | 20 | 8-18 | |
65 | 290 | 180 | 145 | 120 | 130 | 212 | 8-18 | |
80 | 310 | 195 | 160 | 135 | 140 | 22 | 8-18 | |
100 | 350 | 230 | 190 | 160 | 155 | 24 | 8-23 | |
125 | 400 | 270 | 220 | 188 | 180 | 28 | 8-25 | |
150 | 480 | 300 | 250 | 218 | 215 | 30 | 8-25 | |
200 | 600 | 360 | 310 | 278 | 973 | 34 | 12-25 | |