H44H、H44W美標鑄鋼止回閥廣泛適用于公稱壓力150LB-2500LB,工作溫度-29~550℃的石油、化工、火力電站等各種工況的管路上,適用介質為:水、油品、蒸汽等。其主要作用是防止介質倒流、防止泵及其驅動電機機反轉,以及容器內介質的泄放。
產品名稱: | 美標鑄鋼止回閥 | 產品型號: | H44H、H44W |
公稱通徑: | DN50~DN600 | 結構形式: | 旋啟式 |
公稱壓力: | 150LB~2500LB | 連接方式: | 焊接、法蘭 |
適用溫度: | -29ºC~+550ºC | 驅動方式: | 介質推動 |
閥體材質: | 鑄鋼、不銹鋼 | 標準: | 國標GB、德國DIN、美國API、ANSI |
適用介質: | 水、油、蒸汽 | 生產廠家: | 浙江嵐勝閥門有限公司 |
1、產品結構緊湊合理、密封可靠、性能優良。
2、體積小、重量輕。
3、適用范圍廣。
4、閥瓣關閉快速、動作靈敏。
5、關閉沖擊力小、不易產生水錘現象。
6、流道通暢、流體阻力小。
設計與制造:API 6D
結構長度:ANSI B 16.10
法蘭標準:ANSI B 16.5a
對焊端尺寸:ANSI B 16.25
壓力檢驗:API 6D或API 598
公稱壓力 | 強度試驗 | 水密封試驗 | 氣密封試驗 | |||
MPa | Lbf/in2 | MPa | Lbf/in2 | MPa | Lbf/in2 | |
150 | 3.1 | 450 | 2.2 | 315 | 0.5-0.7 | 60-100 |
300 | 7.8 | 1125 | 5.6 | 815 | ||
600 | 15.3 | 2225 | 11.2 | 1630 | ||
900 | 23.1 | 3350 | 16.8 | 2440 | ||
1500 | 38.4 | 5575 | 28.1 | 4080 | ||
2500 | 64.6 | 9367 | 47.4 | 6873 | ||
殼體 | ASTM A216 WCB | ASTM A351 CF8 | |||
閥瓣及支架 | WCB | CF8 | CF8M | Monel | |
銷軸 | F6a | F304 | F316 | Monel | F304 |
閥瓣表面 | 13Cr 13Cr STL | 304 STL | 316 STL | Monel | 304 304 STL |
閥座表面 | 13Cr STL STL | 304 STL | 316 STL | Monel | 304 304 STL |
殼體 | ASTM A351 CF3 ASTM A351 CF8M ASTM A351 CF3M | ||||
閥瓣及支架 | |||||
銷軸 | F304L F316L F316L | ||||
閥瓣表面 | 304L 304L STL | 316 316 STL | 316L 316L STL | ||
閥座表面 | 304L STL STL | 316 STL STL | 316L STL STL | ||

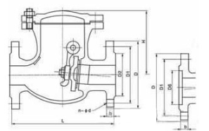
磅級 | 公稱通徑(DN) | 主要連接尺寸 (mm) | 外形尺寸 | 重量 | |||||||
in | mm | L | D | D1 | D2 | b | f | z-φd | H | ||
150Lb | 2 | 50 | 203 | 152 | 120.5 | 92 | 16 | 1.6 | 4-19 | 165 | 17 |
21/2 | 65 | 216 | 178 | 139.5 | 105 | 17.5 | 1.6 | 4-19 | 175 | 25 | |
3 | 80 | 241 | 190 | 152.5 | 127 | 19.5 | 1.6 | 4-19 | 190 | 29 | |
4 | 100 | 292 | 229 | 190.5 | 157 | 24 | 1.6 | 8-19 | 215 | 50 | |
5 | 125 | 330 | 254 | 216 | 186 | 24 | 1.6 | 8-22 | 245 | 75 | |
6 | 150 | 356 | 279 | 241.5 | 216 | 25.5 | 1.6 | 8-22 | 265 | 85 | |
8 | 200 | 495 | 343 | 298.5 | 270 | 29 | 1.6 | 8-22 | 320 | 150 | |
10 | 250 | 622 | 406 | 362 | 324 | 30.5 | 1.6 | 12-25 | 365 | 240 | |
12 | 300 | 698 | 483 | 432 | 381 | 32 | 1.6 | 12-25 | 415 | 350 | |
14 | 350 | 787 | 533 | 476 | 413 | 35 | 1.6 | 12-29 | 460 | 460 | |
16 | 400 | 864 | 597 | 540 | 470 | 37 | 1.6 | 16-29 | 495 | 580 | |
20 | 500 | 978 | 698 | 635 | 584 | 43 | 1.6 | 20-32 | 590 | 840 | |
24 | 600 | 1295 | 813 | 749.5 | 692 | 48 | 1.6 | 20-35 | 650 | 1140 | |
28 | 700 | 1448 | 927 | 863.5 | 800 | 71.5 | 1.6 | 28-35 | 870 | 1320 | |
300Lb | 2 | 50 | 267 | 165 | 127 | 92 | 22.5 | 1.6 | 8-19 | 190 | 28 |
21/2 | 65 | 292 | 190 | 149 | 105 | 25.5 | 1.6 | 8-22 | 205 | 33 | |
3 | 80 | 318 | 210 | 168 | 127 | 28 5 | 1.6 | 8-22 | 220 | 45 | |
4 | 100 | 356 | 254 | 200 | 157 | 32 | 1.6 | 8-22 | 245 | 70 | |
5 | 125 | 400 | 279 | 235 | 186 | 35 | 1.6 | 8-22 | 275 | 110 | |
6 | 150 | 444 | 318 | 270 | 216 | 36.5 | 1.6 | 12-22 | 295 | 150 | |
8 | 200 | 533 | 381 | 330 | 270 | 41.5 | 1.6 | 12.25 | 330 | 230 | |
10 | 250 | 622 | 444 | 387.5 | 324 | 48 | 1.6 | 16-29 | 420 | 390 | |
12 | 300 | 711 | 521 | 451 | 381 | 51 | 1.6 | 16-32 | 480 | 520 | |
14 | 350 | 838 | 584 | 514.5 | 413 | 54 | 1.6 | 20-32 | 535 | 710 | |
16 | 400 | 864 | 648 | 571.5 | 470 | 57.5 | 1.6 | 20-35 | 585 | 890 | |
20 | 500 | 1016 | 775 | 686 | 584.5 | 63.5 | 1.6 | 24-35 | 685 | 1360 | |
24 | 600 | 1364 | 914.5 | 813 | 692.5 | 70 | 1.6 | 24-41 | 785 | 2040 | |
600Lb | 2 | 50 | 292 | 165 | 127 | 92 | 26 | 6.4 | 8-19 | 210 | 32 |
21/2 | 65 | 330 | 190 | 149 | 100 | 29 | 6.4 | 8-22 | 230 | 42 | |
3 | 80 | 356 | 210 | 168 | 127 | 32 | 6.4 | 8-22 | 255 | 60 | |
4 | 100 | 432 | 273 | 216 | 157 | 38 | 6.4 | 8-25 | 295 | 95 | |
5 | 125 | 508 | 330 | 266.5 | 186 | 45 | 6.4 | 8-29 | 310 | 120 | |
6 | 150 | 559 | 355.5 | 292 | 216 | 47.5 | 6.4 | 12-29 | 365 | 220 | |
8 | 200 | 660 | 419.5 | 349 | 270 | 56 | 6.4 | 12-32 | 420 | 390 | |
10 | 250 | 787 | 508 | 432 | 324 | 63.5 | 6.4 | 16-35 | 505 | 630 | |
12 | 300 | 838 | 559 | 489 | 381 | 66.5 | 6.4 | 20-35 | 545 | 870 | |
14 | 350 | 889 | 603.5 | 527 | 413 | 710 | 6.4 | 20-38 | 600 | 940 | |
16 | 400 | 991 | 686 | 603 | 470 | 76.5 | 6.4 | 20-41 | 650 | 1100 | |
口徑 | Class150(PN20) | |||||
DN | NPS | L | d | H | ||
RF | RTJ | BW | ||||
50 | 2 | 203 | 216 | 203 | 51 | 132 |
65 | 21/2 | 216 | 229 | 216 | 64 | 147 |
80 | 3 | 241 | 254 | 241 | 76 | 176 |
100 | 4 | 292 | 305 | 292 | 102 | 198 |
125 | 5 | 330 | 343 | 330 | 127 | 255 |
150 | 6 | 356 | 368 | 356 | 152 | 320 |
200 | 8 | 495 | 508 | 495 | 203 | 380 |
250 | 10 | 622 | 635 | 622 | 254 | 440 |
300 | 12 | 699 | 711 | 699 | 305 | 480 |
350 | 14 | 787 | 800 | 787 | 337 | 530 |
400 | 16 | 864 | 876 | 864 | 387 | 580 |
450 | 18 | 978 | 991 | 978 | 438 | 618 |
500 | 20 | 978 | 991 | 978 | 489 | 657 |
口徑 | Class300(PN50) | |||||
DN | NPS | L | d | H | ||
RF | RTJ | BW | ||||
50 | 2 | 267 | 283 | 267 | 51 | 144 |
65 | 21/2 | 292 | 308 | 292 | 64 | 169 |
80 | 3 | 318 | 333 | 318 | 76 | 210 |
100 | 4 | 356 | 371 | 356 | 102 | 260 |
125 | 5 | 400 | 416 | 400 | 127 | 295 |
150 | 6 | 445 | 460 | 445 | 152 | 326 |
200 | 8 | 533 | 549 | 533 | 203 | 380 |
250 | 10 | 622 | 638 | 622 | 254 | 440 |
300 | 12 | 711 | 727 | 711 | 305 | 520 |
350 | 14 | 838 | 854 | 838 | 337 | 540 |
400 | 16 | 864 | 879 | 864 | 387 | 588 |
450 | 18 | 978 | 994 | 978 | 438 | 670 |
500 | 20 | 1016 | 1035 | 1016 | 489 | 720 |
口徑 | Class600(PN110) | |||||
DN | NPS | L | d | H | ||
RF | RTJ | BW | ||||
50 | 2 | 292 | 295 | 292 | 51 | 170 |
65 | 21/2 | 330 | 333 | 330 | 64 | 178 |
80 | 3 | 356 | 359 | 356 | 76 | 246 |
100 | 4 | 432 | 435 | 432 | 102 | 290 |
125 | 5 | 508 | 511 | 508 | 127 | 320 |
150 | 6 | 559 | 562 | 559 | 152 | 360 |
200 | 8 | 660 | 664 | 660 | 203 | 430 |
250 | 10 | 787 | 791 | 787 | 254 | 502 |
300 | 12 | 838 | 841 | 838 | 305 | 554 |
口徑 | Class900(PN150) | |||||
DN | NPS | L | d | H | ||
RF | RTJ | BW | ||||
50 | 2 | 368 | 371 | 368 | 51 | 200 |
65 | 21/2 | 419 | 422 | 419 | 64 | 220 |
80 | 3 | 381 | 384 | 381 | 76 | 280 |
100 | 4 | 457 | 460 | 457 | 102 | 320 |
125 | 5 | 559 | 562 | 559 | 127 | 360 |
150 | 6 | 610 | 613 | 610 | 152 | 400 |
200 | 8 | 737 | 740 | 737 | 203 | 480 |
250 | 10 | 838 | 841 | 838 | 254 | 560 |
300 | 12 | 965 | 968 | 965 | 305 | 632 |
口徑 | Class1500(PN260) | |||||
DN | NPS | L | d | H | ||
RF | RTJ | BW | ||||
50 | 2 | 368 | 371 | 368 | 51 | 210 |
65 | 21/2 | 419 | 422 | 419 | 64 | 240 |
80 | 3 | 470 | 473 | 470 | 76 | 303 |
100 | 4 | 546 | 549 | 546 | 102 | 340 |
125 | 5 | 673 | 676 | 673 | 127 | 380 |
150 | 6 | 705 | 711 | 705 | 144 | 430 |
200 | 8 | 832 | 841 | 832 | 192 | 500 |
250 | 10 | 991 | 1000 | 991 | 239 | 590 |
口徑 | Class2500(PN420) | |||||
DN | NPS | L | d | H | ||
RF | RTJ | BW | ||||
50 | 2 | 451 | 454 | 451 | 42 | 230 |
65 | 21/2 | 508 | 514 | 508 | 52 | 260 |
80 | 3 | 578 | 584 | 578 | 62 | 330 |
100 | 4 | 673 | 683 | 673 | 87 | 370 |
125 | 5 | 794 | 807 | 794 | 96 | 410 |
150 | 6 | 914 | 927 | 914 | 131 | 460 |
200 | 8 | 1022 | 1038 | 1022 | 179 | 530 |
250 | 10 | 1270 | 1292 | 1270 | 223 | 620 |